产品说明
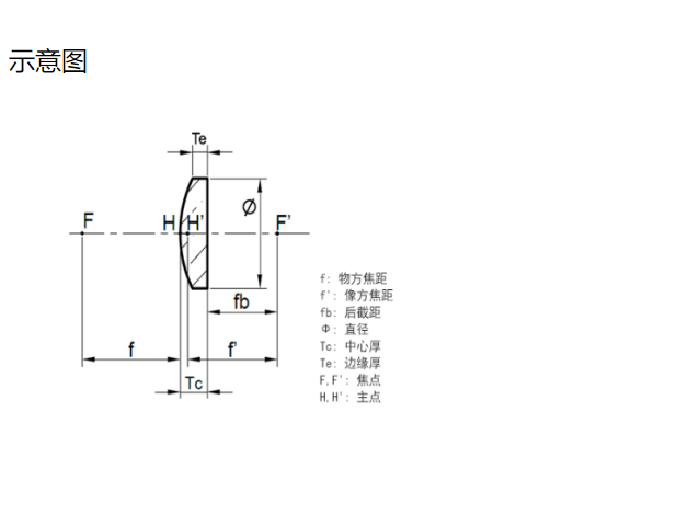
平凸镜片通常在成像应用中收集及汇聚光线。平凸透镜的前后表面不对称,因此可以有效地减小球差,特别是在物像距离不相等的应用场合中。最佳应用是将物体放在无穷远处(即视为平行光入射),在焦平面成像。此时,物象共轭比(即物距/ 像距)为无穷大。透镜的凸面应该朝向物方方向放置。现货供应各种规格的K9平凸透镜,并可提供全系列产品的Zemax 数据。
H-K9平凸透镜有五种类型的镀膜,分别为:镀单层MgF2膜、未镀膜、多层增透A膜350-750nm、多层增透B膜700-1100nm、多层增透C膜1050-1700nm。



本系列平凸透镜为未镀膜透镜,透射波长范围350nm-2.0μm。
• 材料:H-K9(其中GCL-010130与GCL-010172材料为H-ZF13)
• 镀膜:未镀膜


这些平凸透镜由H-K9L玻璃制成,表面无镀膜。镜片预安装在外径φ30mm,带1.035”-40(SM1)外接螺纹的镜框中,可以与SM1螺纹镜架或30mm同轴镜筒系列兼容。镜框上有透镜类型、焦距以及增透膜镀膜范围标识。
平凸透镜通常用来聚焦准直光或准直来自点光源的光,由于前后表面不对称,可以有效减少球差,特别是在物像距离不相等的应用场合中。为了尽量减少球面像差的引入,准直光源在聚焦时应入射在透镜的曲面上,在准直时应入射在平面上。镜头的具体光学参数可根据下表中提供的透镜型号查看。
• 镜片镀膜:未镀膜
• 安装螺纹:1.035”-40(SM1)
• 通光孔径:φ23

我们很高兴你能和我们合作。为了节省你的时间,在选择产品时,请查看参数或与我们的销售沟通,避免你购买的产品,因参数与你的使用要求不一致,耽误你的工期进度。我们再次感谢你的支持。








