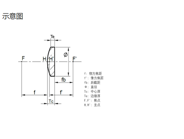
规格:
服务:
常见问题:
产品说明
平凸镜片通常在成像应用中收集及汇聚光线。平凸透镜的前后表面不对称,因此可以有效地减小球差,特别是在物像距离不相等的应用场合中。最佳应用是将物体放在无穷远处(即视为平行光入射),在焦平面成像。此时,物象共轭比(即物距/ 像距)为无穷大。透镜的凸面应该朝向物方方向放置。现货供应各种规格的K9平凸透镜,并可提供全系列产品的Zemax 数据。H-K9平凸透镜有五种类型的镀膜,分别为:普通单层MgF₂、不镀膜、多层增透膜A、B、C膜。





• 本系列透镜镀单层MgF2增透膜,可以在 400-700nm 范围获得低至 2.5% 的表面反射率。
• 本系列产品单层MgF2增透膜对损伤阈值无要求。

• 镜片预安装在外径φ30mm的金属外框中,无外接螺纹 ;
• 透镜偏心已调好并点胶固定,偏心 C≤0.04mm;
• 外框直径φ30mm,可与同轴系统GCT-020112,GCT-020113,GCT-020114,GCT-030130,GCT-080315配合使用;
• 透镜外框厚度有 10mm,15mm,20mm三款可供选择。
注意事项:
我们很高兴你能和我们合作。为了节省你的时间,在选择产品时,请查看参数或与我们的销售沟通,避免你购买的产品,因参数与你的使用要求不一致,耽误你的工期进度。我们再次感谢你的支持。







