规格:
服务:
常见问题:
型号 | PT-SD105 |
驱动方式 | 测微头 |
行程(mm) | 50 |
刻度(mm) | 0.01 |
灵敏度(mm) | 0.002 |
精度(mm) | 0.003 |
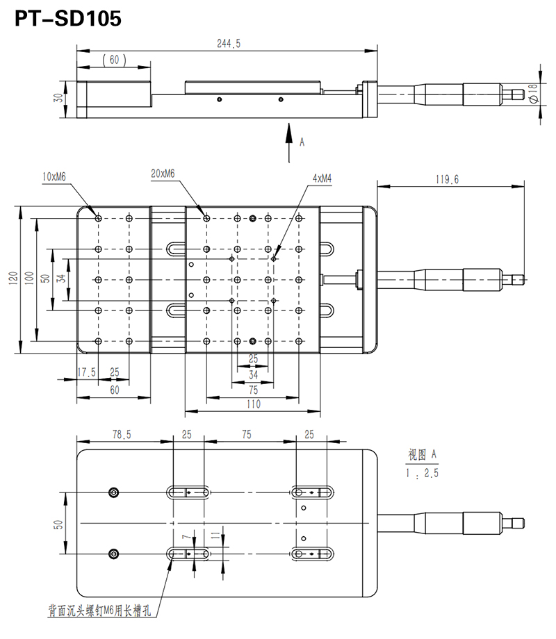
台面尺寸(mm) | 110×120 |
承载(kg) | 5 |
自重(kg) | 1.25 |
产品特点
1、导轨为交叉滚柱配合V形钢导轨,精度高,承载大,使用寿命长;
2、台面为钢台面,刚性好,耐蚀性好,适合工业生产;
3、位移调整采用测微头;
4、测微头在平移台中心放置,操作方便;
5、采用弹簧复位结构,消除轴向间隙;
6、台面和底座分布标准孔距的安装孔,方便安装和组合;
7、可与其它系列位移台组成多维调整架。
产品尺寸图:

注意事项:
我们很高兴你能和我们合作。为了节省你的时间,在选择产品时,请查看参数或与我们的销售沟通,避免你购买的产品,因参数与你的使用要求不一致,耽误你的工期进度。我们再次感谢你的支持。









