规格:
产品详情:
服务:
常见问题:
做工精致,配合精密,小巧,运行稳定,方便安装,可提供3D图档,方便设计。
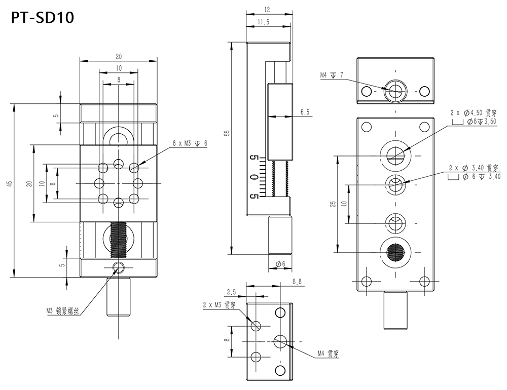
型号 | PT-SD10 | PT-SD35 | PT-SD65 | |
滑台面(mm) | 20 x 20 | 40×25 | 40×25 | |
行程(mm) | 10 | 35 | 65 | |
一圈位移量 | 旋钮旋转一圈位移量0.5MM | 旋钮旋转一圈位移量0.8MM | 旋钮旋转一圈位移量0.8MM | |
耐负载(kgf) | 1 | 4 | 4 | |
自重(g) | 30 | 100 | 110 | |
主体 | 材质 | AL6061 | ||
表面处理 | 黑色阳极氧化 | |||
导向轴 | 材质 | GCr15(轴承钢) | ||
硬度 | HRC56~ | |||
表面处理 | 镀硬铬 | |||
弹簧 | 材质 | 0Cr17Ni7Al弹性不锈钢 | ||
进给丝杆 | 材质 | 1Cr18Ni9(303)不锈钢 | ||



注意事项:
我们很高兴你能和我们合作。为了节省你的时间,在选择产品时,请查看参数或与我们的销售沟通,避免你购买的产品,因参数与你的使用要求不一致,耽误你的工期进度。我们再次感谢你的支持。







