规格:
服务:
常见问题:
产品参数为电性能参数
| 产品型号 | PX110-100H | PT-GD204 | |
| 结构描述 | 角度范围 | 360° | 360° |
| 台面尺寸 | Φ100mm | Φ100mm | |
| 传动比 | 180:1 | 180:1 | |
| 驱动机构 | 蜗轮和蜗杆机构 | 蜗轮和蜗杆机构 | |
| 导轨形式 | 轴承 | 轴承 | |
| 步进电机(1.8°) | 42BYG | 57BYG | |
| 主体材料 | 铝合金 | 铝合金 | |
| 表面处理 | 阳极氧化发黑 | 阳极氧化发黑 | |
| 中心承载 | 40kg | 100kg | |
| 重量 | 3kg | 12kg | |
| 精度描述 | 分辨率 | 0.01°(无细分) 0.0005°=1.8”(20细分) | 0.01°(无细分) 0.0005°=1.8”(20细分) |
| 速度 | 10度/秒 | 25°/sec | |
| 重复定位精度 | 0.01°=36" | 0.002°=7.2” | |
| 定位精度(选配光栅) | 0.02°=72” | 0.005°=18” | |
| 端跳精度 | 25 μ | 10μ | |
| 空回 | 0.01°=36" | 0.002°=7.2” | |
| 偏心 | 15 μ | 20μ | |
| 丢步 | 0.01°=36" | 0.005°=18” | |
| 平行度 | 80 μ | 50μ | |
精密型电动旋转台(蜗轮蜗杆):PX110-100H
产品特性:
※标配步进电机,运动控制器可对其实现自动化控制
※旋转轴系采用多道工艺精密加工而成,配合精度高,承载大,寿命长
※采用精密研配的蜗轮蜗杆结构,运动舒适,可以任意正向和反向旋转且空回小
※台面外围的刻度圈是激光刻划标尺,标尺可相对台面转动,方便初始定位和读数
※步进电机和蜗杆通过高品质弹性联轴节连接,传动同步,消偏性能好,大大降低了偏心扰动且噪音小。
可与其他种类台子组成多维电动调整台
※选配可增加限位功能,增加初始零位 ,换装伺服电机,加装旋转编码器,接受产品的改制和量身定制。
※可换装换装伺服电机增大旋台的转速和扭矩
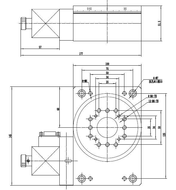
尺寸图:
PX110-100H

注意事项:
我们很高兴你能和我们合作。为了节省你的时间,在选择产品时,请查看参数或与我们的销售沟通,避免你购买的产品,因参数与你的使用要求不一致,耽误你的工期进度。我们再次感谢你的支持。






