规格:
产品详情:
服务:
常见问题:
产品参数为电性能参数
| 产品型号 | PT-GD205 | PX110-400 | |
| 结构描述 | 角度范围 | 360° | 360° |
| 台面尺寸 | φ300mm | Φ400mm | |
| 传动比 | 288∶1 | 720:1 | |
| 驱动机构 | 蜗轮和蜗杆机构 | 蜗轮和蜗杆机构 | |
| 导轨形式 | 轴承 | 轴承 | |
| 步进电机(1.8°) | 57BYG | 57BYG | |
| 主体材料 | 铝合金 | 铝合金 | |
| 表面处理 | 阳极氧化黑 | 阳极氧化黑 | |
| 中心承载 | 55kg | 75kg | |
| 重量 | 7.9kg | 21kg | |
| 精度描述 | 分辨率 | 0.01°=36″(无细分) 0.0005°=1.8″(20细分) | 0.0025°=9″(无细分) 0.000125°=0.45″(20细分) |
| 速度 | 25°/sec | 5°/sec | |
| 重复定位精度 | 0.005°=3.6″ | 0.002°=3.6″ | |
| 定位精度(选配光栅) | 0.01°=7.2″ | 0.005°=18″ | |
| 端跳精度 | 10μ | 20μ | |
| 空回 | 0.005°=18″ | 0.005°=18″ | |
| 偏心 | 20μ | 30μ | |
| 丢步 | 0.005°=18″ | 0.005°=18″ | |
| 平行度 | 100μ | 120μ | |
精密型电动旋转台(蜗轮蜗杆):PT-GD205
产品特性:
※标配步进电机使用我公司的运动控制器可对其实现自动化控制
※旋转轴系采用多道工艺精密加工而成,配合精度高,承载大,寿命长
※采用精密研配的蜗轮蜗杆结构,运动舒适,可以任意正向和反向旋转且空回小
※设计精巧的消空回结构,可调整长期使用造成的空回间隙
※特殊的结构设计保证了旋转台面低的端跳和偏心,使旋转运动更加平稳
※旋台的中心通孔与旋转中心有严格的同轴度要求,旋台的中心孔径有严格的配合公差限制,方便客户做精密定位
※台面外围的刻度圈是激光刻划标尺,标尺可相对台面转动,方便初始定位和读数
※步进电机和蜗杆通过高品质弹性联轴节连接,传动同步,消偏性能好,大大降低了偏心扰动且噪音小
※电动旋转台可平放使用也可立式使用,可与其他种类台子组成多维电动调整台
※可增加限位功能,增加初始零位 ,换装伺服电机,加装旋转编码器,接受产品的改制和量身定制
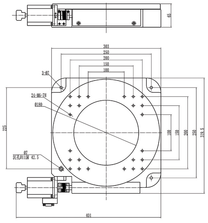
PT-GD205【300台面】尺寸图:

PX110-400【400台面】尺寸图:

注意事项:
我们很高兴你能和我们合作。为了节省你的时间,在选择产品时,请查看参数或与我们的销售沟通,避免你购买的产品,因参数与你的使用要求不一致,耽误你的工期进度。我们再次感谢你的支持。









