规格:
产品详情:
服务:
常见问题:
产品参数为电性能参数
| 产品型号 | PT-GS200 | |
| 结构描述 | 角度范围 | 360° |
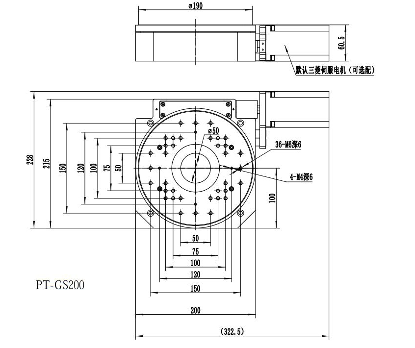
| 台面尺寸 | φ200mm | |
| 传动比 | 45∶1 | |
| 驱动机构 | 蜗轮和蜗杆机构 | |
| 导轨形式 | 轴承 | |
| 电机 | 57步进电机或伺服电机(功率不小于200W) | |
| 主体材料 | 铝合金 | |
| 表面处理 | 阳极氧化发黑 | |
| 中心承载 | 50kg | |
| 重量 | 7.5kg(不带电机) | |
| 精度描述 | 分辨率 | 0.01°=36″(无细分) |
| 速度 | 120度/秒 | |
| 重复定位精度 | 0.01°=36″ | |
| 定位精度(选配光栅) | 0.02°=72″ | |
| 端跳精度 | 30μ | |
| 空回 | 0.005°=18″ | |
| 偏心 | 5μ | |
| 丢步 | 0.01°=36″ | |
| 平行度 | 80μ | |
精密型高速电动旋转台(蜗轮蜗杆): PT-GS200
□产品特性:
■标配伺服电机
■旋转轴系采用多道工艺精密加工而成,配合精度高,承载大,寿命长
■采用精密研配的蜗轮蜗杆结构,运动舒适,可以任意正向和反向旋转且空回小
■设计精巧的消空回结构,可调整长期使用造成的空回间隙
■特殊的结构设计,旋转台面低的端跳和偏心,使旋转运动更加平稳
■旋台的中心通孔与旋转中心有严格的同轴度要求,旋台的中心孔径有严格的配合公差限制,方便客户做精密定位
■台面外围的刻度圈是激光刻划标尺,标尺可相对台面转动,方便初始定位和读数
■步进电机和蜗杆通过高品质弹性联轴节连接,传动同步,消偏性能好,大大降低了偏心扰动且噪音小。
■电动旋转台可平放使用也可立式使用,可与其他种类台子组成多维电动调整台
■可增加限位功能,增加初始零位,加装旋转编码器,接受产品的改制和量身定制。
产品尺寸:

注意事项:
我们很高兴你能和我们合作。为了节省你的时间,在选择产品时,请查看参数或与我们的销售沟通,避免你购买的产品,因参数与你的使用要求不一致,耽误你的工期进度。我们再次感谢你的支持。









