规格:
服务:
常见问题:
产品参数为电性能参数
| 型号 | PX110-60K |
| 行程 | 360° |
| 减速比 | 0.104166667 |
| 主体材质 | 铝合金 |
| 表面处理 | 硬质氧化 |
| 导轨 | 轴承 |
| 速度 | 30°/s |
| 分辨率(8细分)(μm) | 0.0025° |
| 刻度分度 | 2°/格 |
| 重复定位精度 | 0.01° |
| 驱动电机 | 28步进电机 |
| 步距角 | 1.8° |
| 中心负载(kg) | 5 |
| 反向间隙 | 0.01° |
| 定位精度(选配光栅) | ±0.05° |
| 跳动(μm) | 20 |
| 重量 | 0.9kg |
产品描述:
旋转台采用高精度圆柱滚动轴承,精磨蜗杆研配涡轮。
采用新的结构,新的装配工艺,新的检测手段保证轴系刚性好,传动间隙小,寿命长。
标配步进电机,配合我公司的运动控制器使用。
可更换伺服电机。
特点:精度高,转盘跳动小,可靠性高,寿命长,刚性好,抗扭性好,用途广泛。
使用场所:旋转扫描,旋转测量,空间自动跟踪,旋转打标,各种加工,多维旋转组合,悬臂圆周扫描等。
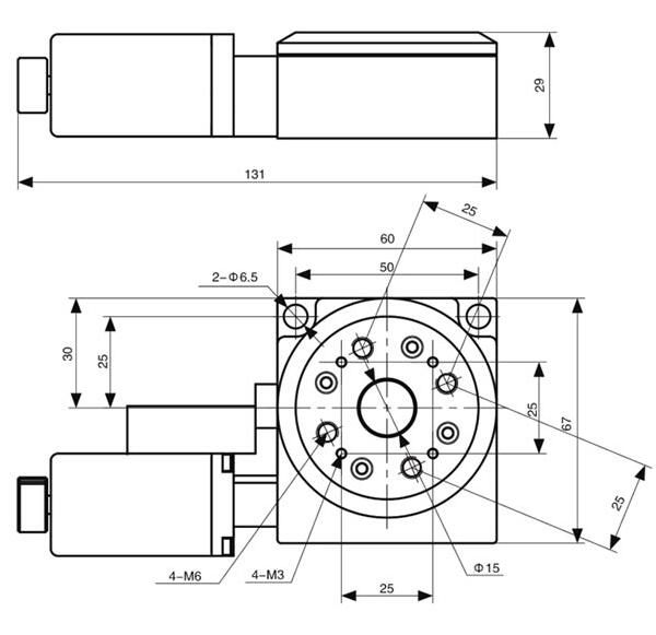
产品尺寸图:

产品接线图:

注意事项:
我们很高兴你能和我们合作。为了节省你的时间,在选择产品时,请查看参数或与我们的销售沟通,避免你购买的产品,因参数与你的使用要求不一致,耽误你的工期进度。我们再次感谢你的支持。








