规格:
产品详情:
服务:
常见问题:
电动整体平移台PT-XY50,电动旋转台PX110-100组合而成。
产品型号 | PT-XY50 | 产品型号 | PX110-100 | |
结 构 描 述 | X,Y轴行程 | 50 mm | 角度范围 | 360° |
台面尺寸 | 155×155mm | 台面尺寸 | φ100mm | |
螺杆规格 | 自加工丝杆副 | 传动比 | 180∶1 , 90:1 | |
导轨 | 高级交叉滚柱导轨 | 驱动机构 | 蜗轮和蜗杆机构 | |
步进电机(步距角) | 国产普通28(1.8°)电机 | 导轨形式 | 轴承 | |
主体材料 | 铝合金 | 步进电机(1.8°) | 42BYG | |
表面处理 | 阳极氧化发黑 | 主体材料 | 铝合金 | |
台面承载(kg) | 10 | 表面处理 | 阳极氧化发黑 | |
重量(kg) | 3.2 | 中心承载 | 45kg | |
精 度 描 述 | 分辨率 | 5μm(无细分) ,0.625μm (8细分) | 重量 | 1.7kg |
速度 | 6mm /sec | 分辨率 | 0.01°(无细分) 0.0005°=1.8″(20细分) | |
重复定位精度 | 40μm | 速度 | 25°/sec | |
定位精度(选配光栅) | 50μm | 重复定位精度 | 0.005°=18″ | |
直线度 | 5μm | 对定位精度 | 0.01°=36″ | |
运动平行度 | 15μm | 端跳精度 | 15μ | |
俯仰 | 50″ | 空回 | 0.005°=18″ | |
偏摆 | 25″ | 偏心 | 5μ | |
回程间隙 | 2μm | 丢步 | 0.005°=18″ | |
丢步 | 2μm | 平行度 | 80μ | |
回程间隙 | 2μm |
|
| |
可加装光栅尺(G) |
|
| ||
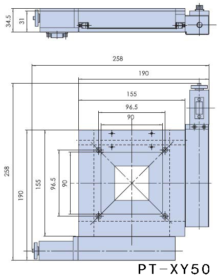
PT-XY50产品尺寸图:

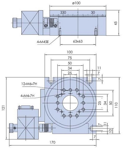
PX110-100产品尺寸图:

注意事项:
我们很高兴你能和我们合作。为了节省你的时间,在选择产品时,请查看参数或与我们的销售沟通,避免你购买的产品,因参数与你的使用要求不一致,耽误你的工期进度。我们再次感谢你的支持。









