规格:
产品详情:
服务:
常见问题:
电动整体组合台PT-XY100,电动升降台PT-GD402组合而成。
产品型号 | PT-XY100 | 产品型号 | PT-GD402 | ||
结 构 参 数 | X,Y轴行程 | 100 mm | 结 构 描 述 | 行程 | 120 mm |
台面尺寸 | 300×300mm | 台面尺寸 | 220mm×140mm | ||
螺杆导程 | 4 mm | 驱动机构 | 精研丝杠副 | ||
导轨 | 精密交叉滚柱导轨 | 导轨形式 | 滑动导轨 | ||
步进电机(步距角) | 42(1.8°) | 步进电机(1.8°) | 57BYG | ||
主体材料 | 铝合金 | 主体材料 | 铝合金 | ||
表面处理 | 阳极氧化发黑 | 表面处理 | 阳极氧化发黑 | ||
台面中心承载 | 50 kg | 中心承载 | 10kg | ||
平台自量 | 8.3 kg | 重量 | 6kg | ||
精 度 参 数 | 分辨率 | 20μm(无细分),2.5μm(8细分) | 调整量 | 5μ(无细分) 0.25μ(20细分) | |
速度 | 40mm /sec | 精 度 描 述 | 速度 | 5/sec | |
重复定位精度 | 2μm | 重复定位精度 | 10μ | ||
定位精度(选配光栅) | 3μm | 空回 | 4μ | ||
直线度 | 5μm | 丢步 | 3μ | ||
运动平行度 | 15μm |
|
| ||
俯仰 | 50″ |
|
| ||
偏摆 | 25″ |
|
| ||
回程间隙 | 2μm |
|
| ||
丢步 | 2μm |
|
| ||
回程间隙 2μm | 丢步 2μm |
|
| ||
可加装光栅尺(G) 可换装伺服电机(D) |
|
| |||
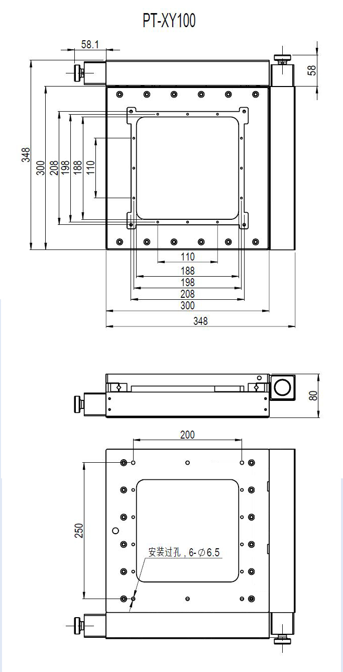
PT-XY100产品尺寸图:

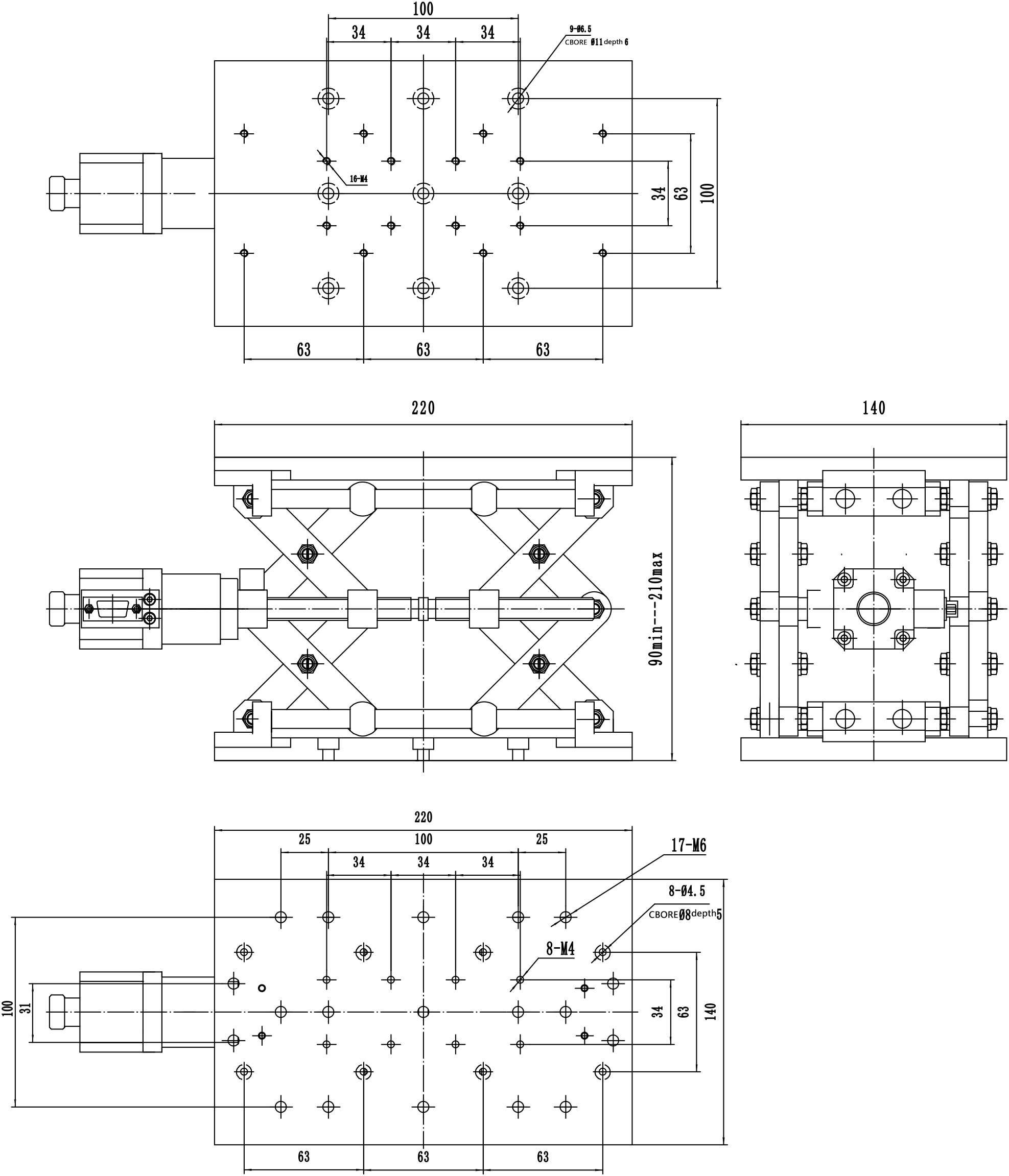
PT-GD402产品尺寸图:

注意事项:
我们很高兴你能和我们合作。为了节省你的时间,在选择产品时,请查看参数或与我们的销售沟通,避免你购买的产品,因参数与你的使用要求不一致,耽误你的工期进度。我们再次感谢你的支持。









