规格:
服务:
常见问题:
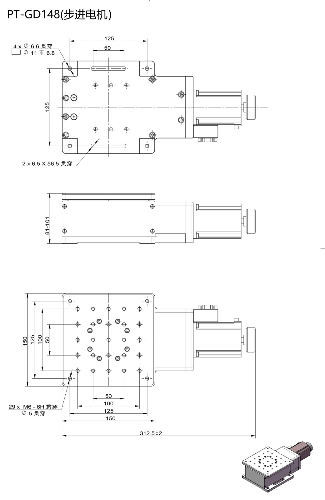
产品规格:
型号 | PT-GD148 |
台面尺寸 | 150×150 |
导轨形式 | 交叉滚珠导轨 |
驱动机构 | 精密滚珠丝杠(导程4mm) |
行程 | 20mm |
步进电机(1.8°) | SST57D2121 |
中心承载 | 30Kg |
调整量 |
7.5μ(无细分) |
速度 | 12mm/sec |
重复定位精度 | 10μ |
空回 | 10μ |
丢步 | 2μ |
重量 | 4.7kg |
主体材料 | 铝合金 |
表面处理 | 阳极氧化发黑 |
高精度电动升降台 PT-GD148
产品特点:
采用精密滚珠丝杆驱动,导轨采用交叉滚柱导轨,重复定位精和决对定位精度好,轴向间隙小,寿命长。
防松和防轴窜动结构,有效防止丝杆松动。
应用于多种领域:
可用于移动校正,激光位移,检测调节,设备治具,光学对准,光纤调芯,大学或科研单位做预言试验等。
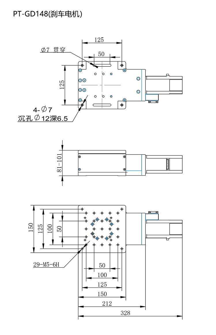
产品尺寸图:


注意事项:
我们很高兴你能和我们合作。为了节省你的时间,在选择产品时,请查看参数或与我们的销售沟通,避免你购买的产品,因参数与你的使用要求不一致,耽误你的工期进度。我们再次感谢你的支持。








