规格:
产品详情:
服务:
常见问题:
产品参数为电性能参数
| 产品型号 | PT-GD404 | |
| 结构描述 | 行程 | 10 mm |
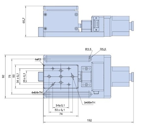
| 台面尺寸 | 50mm×74mm | |
| 驱动机构 | 精研丝杠副 | |
| 导轨形式 | 交叉滚珠导轨 | |
| 步进电机(1.8°) | SST42D2121 | |
| 主体材料 | 铝合金 | |
| 表面处理 | 阳极氧化发黑 | |
| 中心承载 | 10kg | |
| 重量 | 1.5kg | |
| 精度描述 | 调整量 | 5μ(无细分)0.25μ(20细分) |
| 速度 | 5mm/sec | |
| 重复定位精度 | 7μ | |
| 空回 | 4μ | |
| 丢步 | 3μ | |
高精度电动升降台:PT-GD404
产品特性:
※标配步进电机,运动控制器可对其实现自动化控制
※升降台系采用交叉滚珠导轨,保证运动平稳,承载大,寿命长
※采用精密研配丝杠驱动,运动舒适,可以任意升降且空回小
※步进电机和丝杆通过高品质弹性联轴节连接,传动同步,消偏性能好,大大降低了偏心扰动且噪音小。
※电动升降台平放使用,可与其他种类台子组成多维电动调整台
※具有限位功能,初始零位功能 ,换装伺服电机,加装旋转编码器,接受产品的改制和量身定制

注意事项:
我们很高兴你能和我们合作。为了节省你的时间,在选择产品时,请查看参数或与我们的销售沟通,避免你购买的产品,因参数与你的使用要求不一致,耽误你的工期进度。我们再次感谢你的支持。









