产品参数
衍射极限性能:传输波前,RMS: λ/14
锥形设计可以在45度入射角的时候方便的安装和拆卸
为降低衍射效应采取了弯曲结构
具有行业高水平的 24 至 31mm 工作距离
ReflX™反射物镜是和原来的反射物镜加了个可以减小P-V值的装置,可以在入射角为45度时使用。生产这种反射物镜的作用是可以达到λ/4P-V的波前,此时需要反射镜有很高的精度。精加工中心使用QED Q22-MRF磁流体加工设备和QED SSI干涉仪来加工和检测的反射面形,此精度可以达到1/20ΛP-V值。
远场校正镜头可用于调焦,而有限共扼镜头可用于成像方面。当加一个200mm的二级转接镜头使,远场校正镜头也可用在成像方面。加上滤光片和分光镜后,本镜头可用在生物医疗和荧光显微方面。远场镜头的标准后截距为160mm,可与普通的DIN镜头互换.值得注意的是受光路结构的限制,这两款镜头的像面中心的亮度低,比较朦胧。
在许多情况下需要一个入射角大于45度的阵列,为了适应这些不常见的角度,惠普的RelX™ 使用锥形设计提供了一个距离物面大于6mm。
为了消除由直纹导致像面的衍射效应,HP RelX™ 采用了一个弯曲设计。
产品型号: | CCW-884 (通用规格) | CCW-885 | CCW-886 | CCW-887 | CCW-888 | CCW-889 |
产品名称: | 高精度Reflx反射物镜,远场共轭,DUV镀膜 | 高精度Reflx反射物镜,近场共轭,DUV镀膜 | 高精度Reflx反射物镜,远场共轭,UV镀膜 | 高精度Reflx反射物镜,远场共轭,UV镀膜 | 高精度Reflx反射物镜,远场共轭,镀金膜 | 高精度Reflx反射物镜,近场共轭,镀金膜 |
方式: | Infinity Corrected | Finite Conjugate | Infinity Corrected | Finite Conjugate | Infinity Corrected | Finite Conjugate |
放大率: | 15X | 15X | 15X | 15X | 15X | 15X |
涂层: | DUV Enhanced Aluminum (150-11000nm) | DUV Enhanced Aluminum (150-11000nm) | Enhanced Aluminum (200-11000nm) | Enhanced Aluminum (200-11000nm) | Protected Gold (700-11000nm) | Protected Gold (700-11000nm) |
数字孔径 NA: | 0.28 | 0.28 | 0.28 | 0.28 | 0.28 | 0.28 |
波长范围 (nm): | 150 - 11000 | 150 - 11000 | 200 - 11000 | 200 - 11000 | 700 - 11000 | 700 - 11000 |
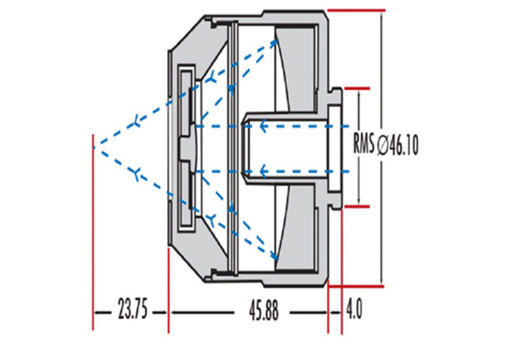
工作距离 (mm): | 23.75 | 23.75 | 23.75 | 23.75 | 23.75 | 23.75 |
Aperture Diameter (mm): | 8.5 | 8.5 | 8.5 | 8.5 | 8.5 | 8.5 |
涂层规格: | Ravg >83% @ 150 - 1000nm (typical) | Ravg >83% @ 150 - 1000nm (typical) | Ravg >85% @ 200 - 700nm (typical) | Ravg >85% @ 200 - 700nm (typical) | Ravg >96% @ 700 - 11000nm (typical) | Ravg >96% @ 700 - 11000nm (typical) |
Ravg >94% @ 1000 - 11000nm (typical) | Ravg >94% @ 1000 - 11000nm (typical) | Ravg >76% @ 700 - 1750nm (typical) | Ravg >76% @ 700 - 1750nm (typical) | |||
Ravg >96% @ 1750 - 11000nm (typical) | Ravg >96% @ 1750 - 11000nm (typical) | |||||
小型发射镜直径 (mm): | 8.8 | 8.8 | 8.8 | 8.8 | 8.8 | 8.8 |
入射瞳孔 (mm): | 7.4 | 7.4 | 7.4 | 7.4 | 7.4 | 7.4 |
水平视场, 1/2" 传感器: | 0.43mm | 0.43mm | 0.43mm | 0.43mm | 0.43mm | 0.43mm |
水平视场, 2/3" 传感器: | 0.59mm | 0.59mm | 0.59mm | 0.59mm | 0.59mm | 0.59mm |
焦距 FL (mm): | 13.3 | 13.3 | 13.3 | 13.3 | 13.3 | 13.3 |
支架: | RMS | RMS | RMS | RMS | RMS | RMS |
模糊度 (%): | 27 | 27 | 27 | 27 | 27 | 27 |
传输波前,RMS: | λ/14 | λ/14 | λ/14 | λ/14 | λ/14 | λ/14 |
类型: | Microscope Objective | Microscope Objective | Microscope Objective | Microscope Objective | Microscope Objective | Microscope Objective |







