规格:
服务:
常见问题:
支杆底座用于将支杆,平移台,转台等产品固定在平台或其他工作台上。
安装底座均采用通用型设计,主要用于移动台、旋转台的转接,以及支杆、调节支座的安装,均留有M6螺钉安装孔,兼容光学平台、多孔固定板等。
DB41可通过自带20X20、32X32沉孔及中心M6沉孔安装于平移台及旋转台上;DB41包含4处M6用孔距25mm长槽,可安装于多孔板及面包板上;
底孔l孔距为40X40、50X50、60X60mm的元件可安装于DB41上,使大尺寸平移台/旋转台通过DB41转接后安装在小尺寸平移台/旋转台上。
产品参数:
| 型号 | 外形尺寸 | 中心孔 | 自重 | 厚度 | 材料 |
| DB40 | 65*40mm | M6 | 65g | 9mm | 铝合金 |
| DB41 | 70*70mm | M6 | 80g | 9mm | 铝合金 |
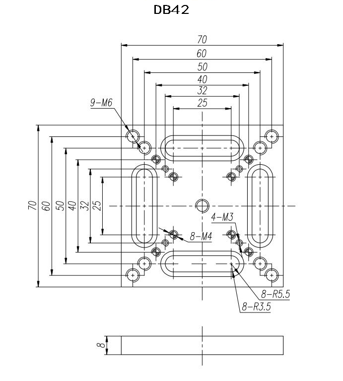
| DB42 | 70*70mm | M6 | 75g | 8mm | 铝合金 |
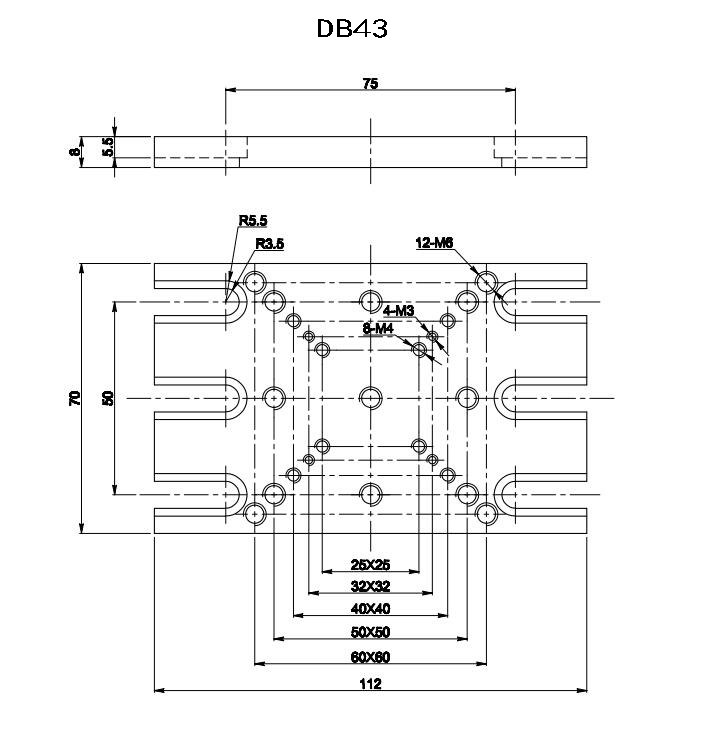
| DB43 | 112*70mm | M6 | 150g | 8mm | 铝合金 |
产品尺寸:




注意事项:
我们很高兴你能和我们合作。为了节省你的时间,在选择产品时,请查看参数或与我们的销售沟通,避免你购买的产品,因参数与你的使用要求不一致,耽误你的工期进度。我们再次感谢你的支持。









