规格:
服务:
常见问题:
光学滑轨:PG01-(500-2000)
| 型号 | PG01-500 | PG01-1000 | PG01-1500 | PHG01-2000 |
| L | 500 | 1000 | 1500 | 2000 |
| A | 80 | 125 | 120 | 145 |
| B | 40 | 50 | 60 | 60 |
| C | 260 | 300 | 340 | 490 |
| N | 2 | 3 | 4 | 4 |
| 自重 | 2.85 kg | 5.75 kg | 8.65 kg | 11.5 kg |
| ■特点: ■可将各种调整架组合成同轴的光学系统 ■优质铝合金材料制成 ■上部燕尾座可以方便精密地与滑轨载物台上的燕尾槽配合,锁紧牢固 ■附有标尺,可清楚地表示出各滑轨载物台之间的距离 | ||||

可将各种调整架组合成同轴的光学系统,上部燕尾座可以方便精密地与滑轨载物台上的燕尾槽配合,锁紧牢固,附有标尺,可清楚地表示出各滑轨载物台之间的距离,不通过光学平台,只需将滑动座固定于不同长度规格的滑轨上,将各种光学器件,调整架,镜架等通过中间连接件接杆,杆架等固定于滑动座上,长度可达2米

光学滑块:PK01特点及尺寸图:
| 型号 | ■特点: ■采用燕尾结构,与PG01系列滑轨配合使用,调整方便,重复性好 ■带塑料头的刚性锁紧手轮,锁紧牢固,不伤光具座 ■各种宽度的滑动座适合不同距离的需要,滑动座可横向微调■调整机构为M6x0.25超细牙螺杆驱动,精密线性导轨导向■弹簧复位,精度高,稳定性好■自重:0.1kg |
| PK01 |

光学滑块:PK02特点及尺寸图:
| 型号 | ■特点: ■采用燕尾结构,与PG01系列滑轨配合使用,调整方便,重复性好 ■带塑料头的刚性锁紧手轮,锁紧牢固,不伤光具座 ■各种宽度的滑动座适合不同距离的需要,滑动座可横向微调■调整机构为M6x0.25超细牙螺杆驱动,精密线性导轨导向■弹簧复位,精度高,稳定性好 |
| PK02 |

光学滑块:PK03特点及尺寸图:
| 型号 | ■特点: ■采用燕尾结构,与PG01系列滑轨配合使用,调整方便,重复性好 ■带塑料头的刚性锁紧手轮,锁紧牢固,不伤光具座 ■各种宽度的滑动座适合不同距离的需要,滑动座可横向微调■调整机构为M6x0.25超细牙螺杆驱动,精密线性导轨导向■弹簧复位,精度高,稳定性好■自重:0.35kg |
| PK03 |

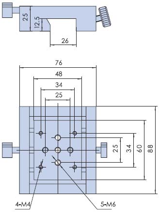
光学滑块:PK04特点及尺寸图:
| 型号 | ■特点: ■采用燕尾结构,与PG01系列滑轨配合使用,调整方便,重复性好 ■带塑料头的刚性锁紧手轮,锁紧牢固,不伤光具座 ■各种宽度的滑动座适合不同距离的需要,滑动座可横向微调■调整机构为M6x0.25超细牙螺杆驱动,精密线性导轨导向■弹簧复位,精度高,稳定性好■自重:0.4kg |
| PK04 |

注意事项:
我们很高兴你能和我们合作。为了节省你的时间,在选择产品时,请查看参数或与我们的销售沟通,避免你购买的产品,因参数与你的使用要求不一致,耽误你的工期进度。我们再次感谢你的支持。










