首页 > 新闻动态 > 新闻

拉伸平台使用参数及使用方法

发表于 2021-01-06

PT-SM直线导轨手动平移台位移台X轴滑台左右旋开拉伸平台

型号

主体表面处理

滑台面(mm)

单滑块Max行程(mm)

耐负载水平安装(N)

自重(g)

进给丝杆材质

PT-SM60

黑色阳极氧化

60*60

20

68.6

680

OCr18iN9(304)不锈钢

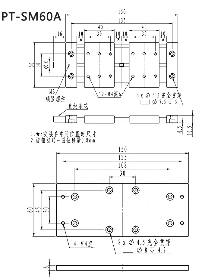
PT-SM60A

黑色阳极氧化

60*40

20

68.6

680

OCr18iN9(304)不锈钢

PT-SM40

黑色阳极氧化

40*25

35

29.4

140

OCr18iN9(304)不锈钢

PT-SM80

黑色阳极氧化

80*60

20

78.4

720

OCr18iN9(304)不锈钢

产品搭配底板使用,配套使用的底板是PB27/PB28,具体的选购指南可以联系客服进行咨询!

产品尺寸图:

拉伸平台使用参数及使用方法

拉伸平台使用参数及使用方法

拉伸平台使用参数及使用方法

拉伸平台使用参数及使用方法


返回新闻列表
分享:
QQ
QQ