规格:
服务:
常见问题:
产品售出后如无质量问题不退不换请谅解!!!
产品售出后如无质量问题不退不换请谅解!!!
近红外线色差校正 M Plan NIR 物镜
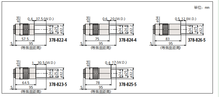
货号 | Mag. | N.A. | W.D. | f | R | D.F. | 视场 1 | 视场 2 | 重量 |
378-822-5 | 5X | 0.14 | 37.5mm | 40mm | 2.0µm | 14.0µm | ø4.8mm | 0.96x1.28mm | 220g |
378-823-5 | 10X | 0.26 | 30.5mm | 20mm | 1.1µm | 4.1µm | ø2.4mm | 0.48x0.64mm | 250g |
378-824-5 | 20X | 0.40 | 20.0mm | 10mm | 0.7µm | 1.7µm | ø1.2mm | 0.24x0.32mm | 300g |
378-825-5 | 50X | 0.42 | 17.0mm | 4mm | 0.7µm | 1.6µm | ø0.48mm | 0.10x0.13mm | 315g |
378-826-5 | 100X | 0.50 | 12.0mm | 2mm | 0.6µm | 1.1µm | ø0.24mm | 0.05x0.06mm | 335g |
378-863-5 | 50X | 0.65 | 10mm | 4mm | 0.42µm | 0.65µm | ø0.48mm | 0.10x0.17mm | 450g |
378-864-5 | 100X | 0.70 | 10mm | 2mm | 0.74µm | 0.56µm | ø0.24mm | 0.05x0.06mm | 450g |
注:
这些物镜是为把工件图像成在景深之内而设计的 (甚至波长在可见光 (波长 =480nm) 和 近 红 外 范 围 (波长=1800nm) 之间变化时),所以 M Plan NIR 系列适用于激光修复。然而当波长超过 1100nm 时,由于玻璃的散射率和折射率的变化,焦点的位置和可见光下的相比可能会稍有偏离。

注意事项:





