规格:
服务:
常见问题:
由一个PT-SD13M升降台,两个PT-SD308角位台,两个PT-XY60平移台,一个PT-SD206旋转台组合而成。
产品详情:| 型号 | PT-SD13M |
| 行程 | 13 |
| 台面尺寸 | 43×47 |
| 读数(μm) | 10 |
| 承重(kgf) | 2 |
| 自重(kg) | 0.22 |
| 驱动位置 | 竖直 |
| 直线度(μm) | 6 |
| 导轨 | 交叉滚柱导轨 |
| 材质 | 铝合金(黑色氧化处理) |

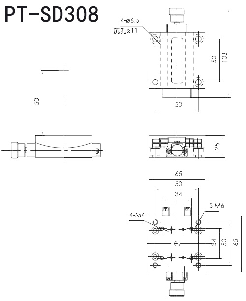
| 型号 | PT-SD308 |
| 台面尺寸 | 65mm×65mm |
| 角度范围 | ±15° |
| 回转中心高 | 50 mm |
| 回转中心偏差 | φ0.05 mm |
| 驱动方式 | 蜗轮蜗杆驱动 |
| 导轨形式 | V型导轨+滚珠 |
| 驱动位置 | 中央驱动 |
| 刻度 | 1° |
| 读数 | 6′ |
| 调整量 | (参考)3″/10细分时 |
| 偏摆 | 80″ |
| 倾斜 | 60″ |
| 承载 | 10kg |
| 自重 | 0.52kg |
| 材料 | 铝合金 |
| 表面处理 | 阳极氧化 |

| 型号 | PT-XY60-L |
| 台面尺寸 | 60×60mm |
| 行程 | ±6.5mm(可定制12.5mm) |
| 负载 | 49N(5Kgf) |
| 材料 | 铝合金(可定制铁质材料) |
| 刻度 | 0.01mm |
| 精度 | 0.01mm |
| 平行度 | 0.06mm |
| 重量 | 0.48kg |

| 型号 | PT-SD206 |
| 台面直径 | φ82mm |
| 驱动方式 | 测微头驱动 |
| 调整范围 | 粗调360° 细调±10° |
| 刻划 | 1° |
| 读数 | 2′ |
| 调整量 | 15″(参考) |
| 承载 | 5kg |
| 台面端跳 | 60μ |
| 偏心 | 30μ |
| 台面平行度 | 60μ |
| 自重 | 0.5kg |
| 材料 | 硬铝 |
| 表面处理 | 阳极氧化染黑 |

注意事项:
我们很高兴你能和我们合作。为了节省你的时间,在选择产品时,请查看参数或与我们的销售沟通,避免你购买的产品,因参数与你的使用要求不一致,耽误你的工期进度。我们再次感谢你的支持。








