规格:
服务:
常见问题:
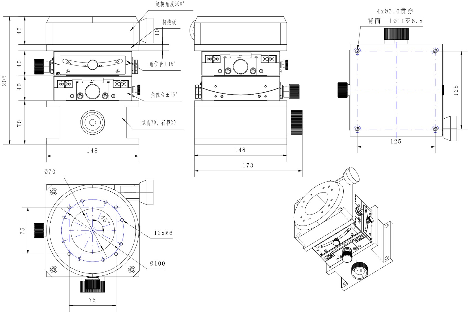
产品参数:
| 型号 | PT-R148旋转台 |
| 台面尺寸(mm) | 148 |
| 转速比 | 1:180 |
| 最小读数(°) | 0.02° |
| 分辨率(°) | 0.005° |
| 同轴度(um) | ±15 |
| 台面旋转起伏(um) | ±10 |
| 台面平整度(um) | ±15 |
| 水平使用台面中心承载(kg) | 25(不推荐竖直使用) |
| 自重(kg) | 2.4 |
| 型号 | PT-SD3144角位台 |
| 台面尺寸(mm) | 125×125 |
| 角度范围 | ±15° |
| 台面到摆心位置(mm) | 144 |
| 分辨率 | 0.005° |
| 导轨形式 | 交叉滚珠弧轨 |
| 刻度 | 1° |
| 读数 | 1° |
| 偏摆 | 200" |
| 中心承载(kg) | 20kg |
| 自重(kg) | 2.1kg |
| 材料 | 铝合金 |
| 表面处理 | 阳极氧化 |
| 型号 | PT-SD148升降台 |
| 台面尺寸(mm) | 148×148 |
| 行程(mm) | 20 |
| 调节螺距(mm) | 1 |
| 分辨率(mm) | 0.005 |
| 最小读数(mm) | 0.01 |
| 运动垂直度(um) (升降时左右摆动) | ±5 |
| 运动垂直度(um) (升降时前后俯仰) | ±10 |
| 台面平整度 | ±20 |
| 承载(kg) | 25 |
| 滑动导轨 | 交叉滚柱导轨 |
| 自重(kg) | 3.54 |
产品尺寸:

注意事项:
我们很高兴你能和我们合作。为了节省你的时间,在选择产品时,请查看参数或与我们的销售沟通,避免你购买的产品,因参数与你的使用要求不一致,耽误你的工期进度。我们再次感谢你的支持。









