规格:
服务:
常见问题:
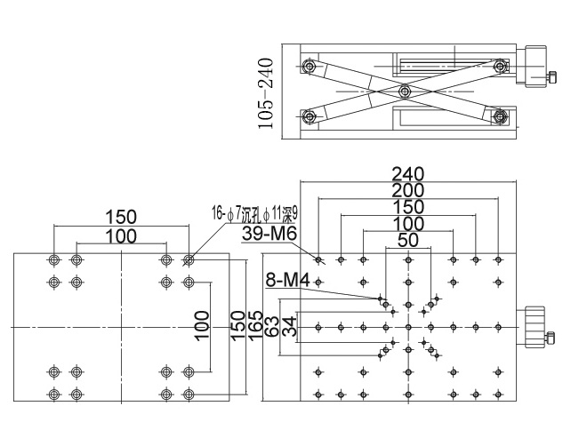
| 型号 | PT-SD410 |
| 台面尺寸 | 165mm×280mm |
| 驱动方式 | 精研丝杠驱动 |
| 升降行程 | 135mm |
| 调整量 | 5μ(参考) |
| 承载 | 25kg |
| 自重 | 4.2kg |
| 材料 | 硬铝 |
| 表面处理 | 阳极氧化发黑 |
精密型手动升降台:PT-SD410
产品特性:
※用于大行程,不定量,载荷大的升降调整
※采用剪形升降机构,精研双旋向丝杠驱动,双导轨轴过定位机构,保证运动平稳,舒适,精度高,承载大
※台面宽大且台面多孔位设计,适用性强,均可作安装面
※配有锁紧手轮,安全可靠
※底座和台面均有标准孔距的连接孔,方便与其它系列产品组合使用
产品详情图:

注意事项:
我们很高兴你能和我们合作。为了节省你的时间,在选择产品时,请查看参数或与我们的销售沟通,避免你购买的产品,因参数与你的使用要求不一致,耽误你的工期进度。我们再次感谢你的支持。





