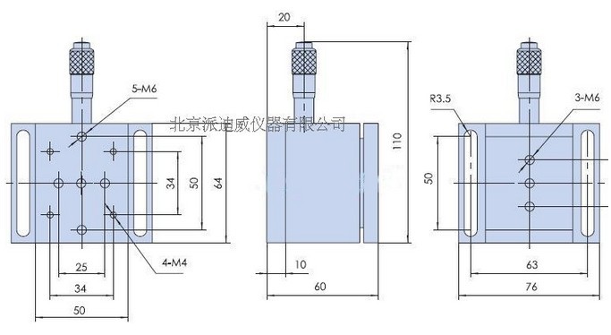
规格:
服务:
常见问题:
| 型号 | PT-SD404 |
| 台面尺寸 | 50mm×64mm |
| 驱动方式 | 分离卡驱动 |
| 升降行程 | 5mm |
| 刻度 | 5μ |
| 调整量 | 1.5μ(参考) |
| 导轨形式 | 交叉滚柱导轨 |
| 承载 | 10kg |
| 直线度 | 5μ |
| 台面平行度 | 100μ |
| 运动垂直度 | 20μ |
| 自重 | 0.72kg |
| 材料 | 硬铝 |
| 表面处理 | 阳极氧化发黑 |
精密型手动升降台:PT-SD404
产品特性:
※采用交叉滚柱导轨,精度高,承载大
※测微头驱动,定量读数
※底座和台面均有标准孔距的连接孔,方便与其它位移台连接,
组成多维移动台

注意事项:
我们很高兴你能和我们合作。为了节省你的时间,在选择产品时,请查看参数或与我们的销售沟通,避免你购买的产品,因参数与你的使用要求不一致,耽误你的工期进度。我们再次感谢你的支持。








