规格:
服务:
常见问题:
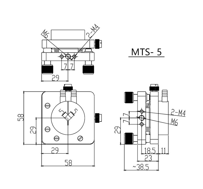
晶体水冷调整架可实现对晶体的俯仰和转摆(θXθZ)微调,安装晶体的镜筒内部有水冷槽,可以通过两个水接口连接外部水源对晶体进行冷却。使用时,直接将晶体嵌入安装的方孔,用螺丝锁紧,靠四周抱紧晶体,然后将装有晶体的镜筒旋进调整架主体即可。安装晶体的镜筒内部有水冷槽,可以通过两个水接口连接外部水源对晶体进行冷却。
调整架底部有螺纹孔,可以直接安装到各种升降支架上,亦或可以通过转接板安装到平移台或者光学平板上。
产品采用超精细牙螺纹调节螺杆,有0.25、0.35、0.5三种螺牙规格。其中,0.25mm和0.35mm超精细牙螺纹的分辨率更好,适用于非高频率反复调节的设备、实验室、企业研发室等场合使用;0.5mm细牙螺纹耐久性更好,适用于反复操作频率高、负载大的设备或者企业生产线使用。客户可以根据自己实际的使用状态选择合适的调节螺杆牙距。
如果运动调节完成后需要进行锁紧,本产品有带锁紧圈的规格可供选配,只要在订货时特别标注即可。产品具体信息请参照表格和图纸,如有特殊需求,可以定制。
型号 (方向:θXθZ) | MTS-5 | MTS-8 |
基本外形 (mm) | 58×58 | |
晶体尺寸 (mm) | 5×5 | 8×8 |
调节范围 | ±2.5° | |
分辨率 | 0.002° | |
自重(kg) | 0.2 | 0.2 |



注意事项:





