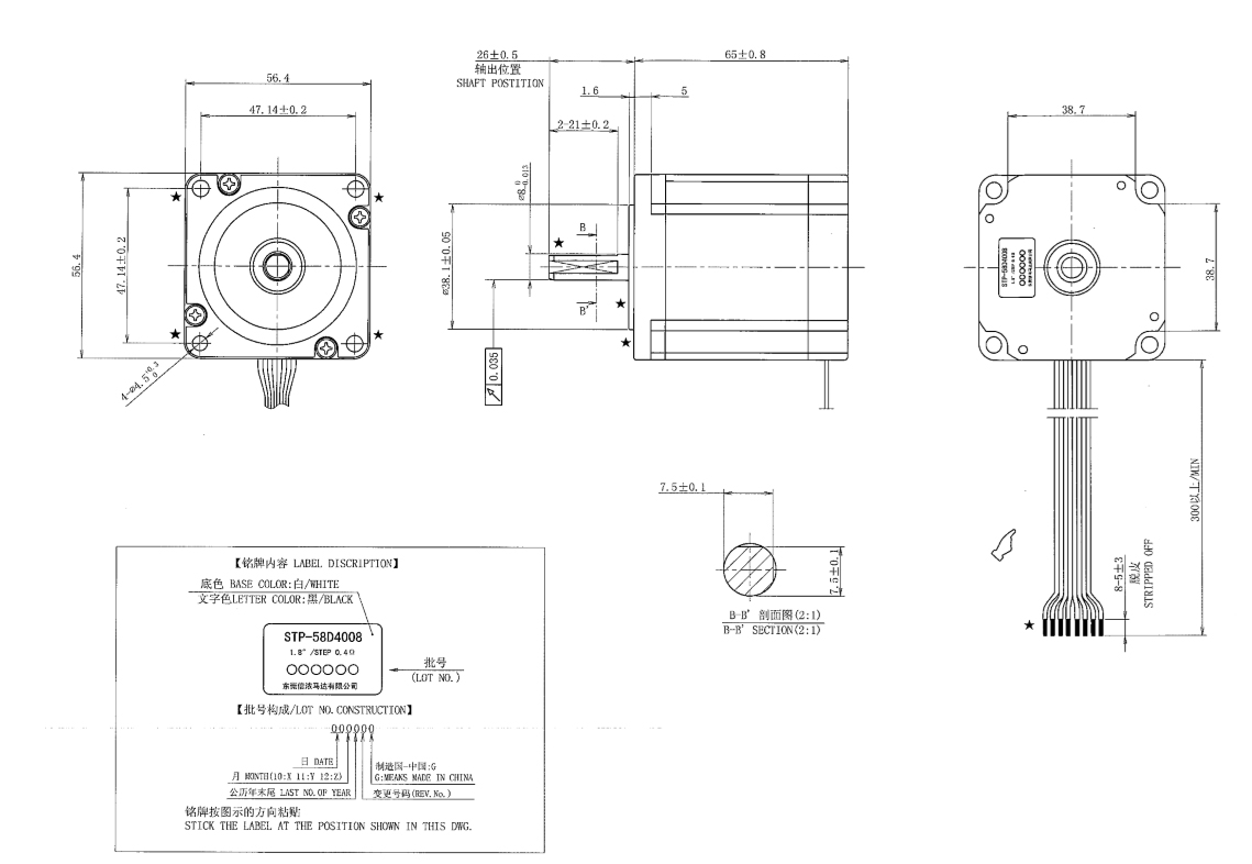
规格:
服务:
常见问题:
电气特性(并联配线)
项目/ITEM | 内容/SPECIFTCATION |
额定工作状态/DUTY | 连续/CONTINUOUS |
额定电压/RATED VOLTAGE 8VD.C | 1.8VD.C |
额定电流/RATED CURRENT | 4.4A/相(PHASE) |
步进角/STEP ANGLE | 1.8°DEG)全步/FULLSTEP |
相数/NUMBER OF PHASE | 4相单极的2相励磁/4PHASEUNIPOLAR2PHASEEXCTTING |
绝缘等级(UL)/INSULATIONCLASS(UL) | UB级/CLASSB绕组/COIL |
卷线电阻/WINDING RESISTANCE | 0.4Ω±15% |
卷线电感/WINDINGINDUCTANCE | 1.3mH土20% |
保持力知/HOLDINGTORQUE | 0.922V.m(9.4kgf.cm)以H/MIN, |
制动力矩/DETENTTORQUE | 39,2mN.m(400gf.cm)容考值/REF |
自起动频率/MAXISTARTINGPLSERATE | 390PPS以上/MIN. |
静止角度误差/POSTITIONALACCURACYII | 土0.09°(deg)以下/MAX. |
绝缘耐压/DIFLECTRICSTRENGTH | 500VA.C1分钟/MINUTE无异常/NOABNORMAL |
电阻/INSULATIONRESISTANCE | 100MΩ以上/Min |
温度上升/TEMPERATUR ERISE | 80K(80DEG)以下/MAX |

注意事项:





