规格:
产品详情:
服务:
常见问题:
产品参数为电性能参数
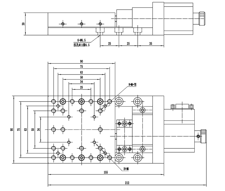
| 产品型号 | PT-GD102P(15-75) | |
| 参数说明 | 行程 | 15-75mm |
| 设计分辨率 | 0.125μm | |
| 运动平行度 | <5μm | |
| 俯仰 | 10″(50μrad) | |
| 重复定位精度 | <1μm | |
| 运动直线度 | <2μm | |
| 偏摆 | 10″(50μrad) | |
| 速度 | 5mm/sec | |
| 负载 | 0-15kg | |
| 自重 | 1.3-3kg | |
电动平移台:PT-GD102P
产品特性:
※产品结构小巧轻薄,适合轻载,低速使用,科学试验使用
※高品质精磨丝杠驱动,小导程,相同细分数可达到更高的分辨率
※导轨采用交叉滚柱导轨,运动舒适,有侧向调整导轨预紧力和消间隙之功能,可多维组合使用
※两端装有零位和限位开关,方便准确定位和保护产品
※可换装伺服电机,光栅尺,接受产品的改制和量身定制

注意事项:
我们很高兴你能和我们合作。为了节省你的时间,在选择产品时,请查看参数或与我们的销售沟通,避免你购买的产品,因参数与你的使用要求不一致,耽误你的工期进度。我们再次感谢你的支持。






