规格:
服务:
常见问题:
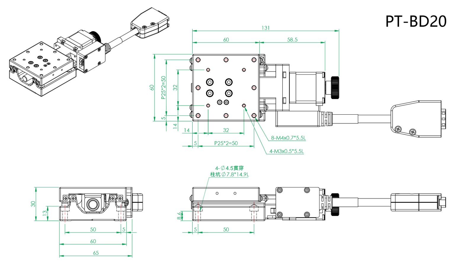
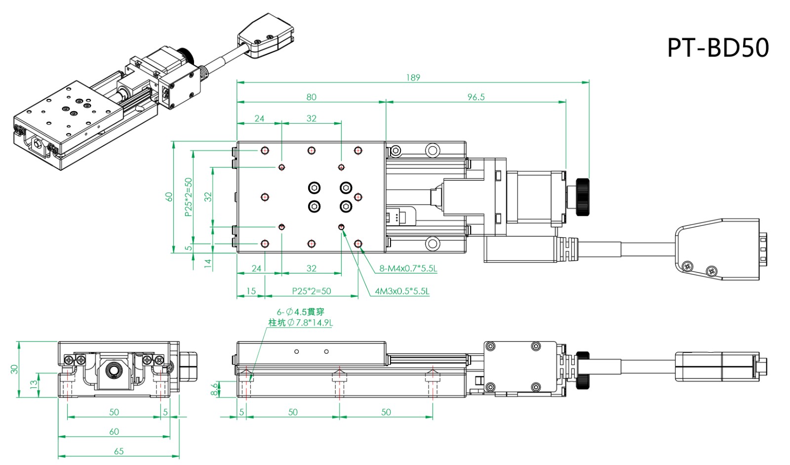
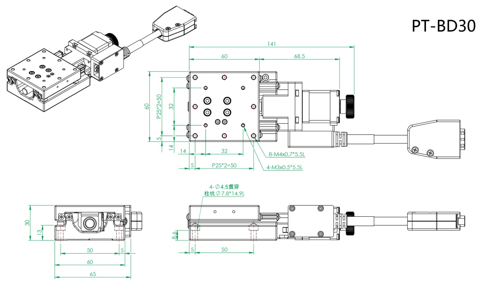
产品参数:
| 型号 | PT-BD20 | PT-BD30 | PT-BD50 |
| 台面尺寸 (mm) | 60x60 | 60x60 | 60x80 |
| 移动行程 (mm) | 20 | 30 | 50 |
| 传动方式 | 滚珠螺杆Ø8,导程1mm | 滚珠螺杆Ø8,导程1mm | 滚珠螺杆Ø8,导程1mm |
| 轨道 | 线性滚珠导引式 | 线性滚珠导引式 | 线性滚珠导引式 |
| 滑台材质 | 碳素钢 | 碳素钢 | 碳素钢 |
| 表面处理 | 镀无电解镍 | 镀无电解镍 | 镀无电解镍 |
| 本体重量 (Kg) | 0.75 | 0.8 | 1.11 |
| 联轴器 | FAMCS11.6-5*5 | FAMCS11.6-5*5 | FAMCS11.6-5*5 |
| 精度等级 | 标准型 | 标准型 | 标准型 |
| 出线方向 | 一般出线 | 一般出线 | 一般出线 |
| 分辨率(脉冲) (µm) | 5 (Full) / 2.5 (Half) | 5 (Full) / 2.5 (Half) | 5 (Full) / 2.5 (Half) |
| 最高速度(全步级) (mm/sec) | 20 | 20 | 20 |
| 单向定位精度 (µm) | 15 | 15 | 15 |
| 反复定位精度 (µm) | ±1 | ±1 | ±1 |
| 多点反复定位精度 (µm) | N/A | N/A | N/A |
| 荷重(水平安装) (Kgf) | 7 | 7 | 7 |
| 空转 (µm) | 3 | 3 | 3 |
| 力矩刚性 | N/A | N/A | N/A |
| 仰俯 / 横摆 | N/A | N/A | N/A |
| 平行度 (µm) | 20 | 20 | 20 |
| 运动真直度 (µm) | 3 | 3 | 3 |
| 运动平行度 (µm) | 10 | 10 | 10 |
| 马达类型 | 2相步进 | 2相步进 | 2相步进 |
| 马达出轴型式 | ☐ 28双出轴 | ☐ 28双出轴 | ☐ 28双出轴 |
| 马达型号 | 2MS-N28D32A | 2MS-N28D32A | 2MS-N28D32A |
| 滑台侧接头 | 15Pin公端连接器D-SUB / 12Pin公端连接器HRS | 15Pin公端连接器D-SUB / 12Pin公端连接器HRS | 15Pin公端连接器D-SUB / 12Pin公端连接器HRS |
| 控制器侧接头 | 15Pin母端连接器D-SUB / 12Pin母端连接器HRS (另外选购) | 15Pin母端连接器D-SUB / 12Pin母端连接器HRS (另外选购) | 15Pin母端连接器D-SUB / 12Pin母端连接器HRS (另外选购) |
| 行程原点传感器 | 光电传感器-sensor | 光电传感器-sensor | 光电传感器-sensor |
| 行程极限传感器 | 光电传感器-sensor | 光电传感器-sensor | 光电传感器-sensor |
| 电源电压 | 24V ± 10% | 24V ± 10% | 24V ± 10% |
| 控制输出 | NPN开放式集电极输出24V 8mA以下 | NPN开放式集电极输出24V 8mA以下 | NPN开放式集电极输出24V 8mA以下 |
| 输出控制 | 检测(感应时): 输出晶体管OFF(非导通) | 检测(感应时): 输出晶体管OFF(非导通) | 检测(感应时): 输出晶体管OFF(非导通) |
产品尺寸:



注意事项:
我们很高兴你能和我们合作。为了节省你的时间,在选择产品时,请查看参数或与我们的销售沟通,避免你购买的产品,因参数与你的使用要求不一致,耽误你的工期进度。我们再次感谢你的支持。







