规格:
服务:
常见问题:
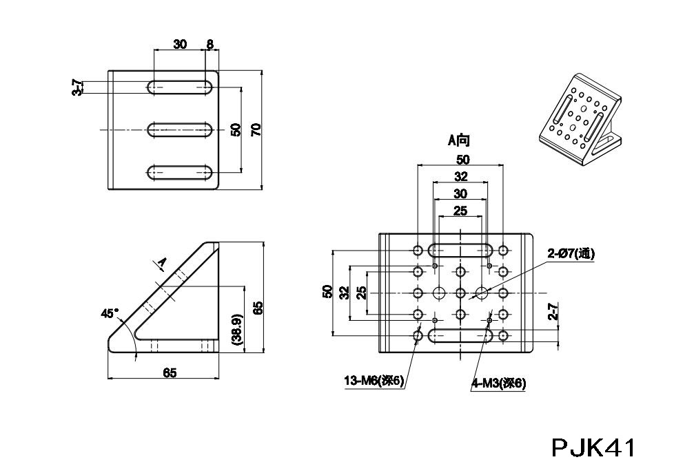
角度转接支架是一体式优质铝合金结构,横截面为三角形,具有高强度和高稳定性,用于光学固定板及移动台等机械件的组合安装。
材料为优质铝合金
—体成型,具有高强度和高稳定性
台面有各螺纹孔阵列,方便安装光机元器件,底面通孔和通槽,可下M6螺钉
PJK42斜面与底面夹角为30°或60°
PJK41斜面与底面夹角为45°
产品参数:
| 型号 | 角度 | 材料 | 自重 |
| PJK41 | 45° | 铝合金 | 260g |
| PJK42 | 30° or 60° | 铝合金 | 430g |
产品尺寸:


注意事项:
我们很高兴你能和我们合作。为了节省你的时间,在选择产品时,请查看参数或与我们的销售沟通,避免你购买的产品,因参数与你的使用要求不一致,耽误你的工期进度。我们再次感谢你的支持。







