规格:
服务:
常见问题:
| 产品型号 | PG206-20 | PG206-25.4 | PG206-30 |
| A | 20 mm | 25.4 mm | 30 mm |
| B | 18 mm | 23 mm | 28 mm |
| 自重 | 0.09 kg | 0.1 kg | 0.1 kg |
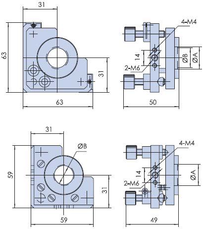
| 产品型号 | PG206-25.4 | PG206-40 | PG206-59 | PG206-76 |
| A | 53 | 59 | 72 | 96 |
| B | 36.5 | 36 | 37 | 53 |
| C | 28 | 25.5 | 37 | 49 |
| D (镜片直径) | 25.4 | 40 | 59 | 76 |
| E | 25.4 | 38 | 49 | 74 |
| F | 24 | 22 | 24 | 24 |
| G | φ4.5 | --- | M6 | M6 |
| Weight | 0.1kg | 0.15kg | 0.15kg | 0.15kg |
反射分光镜架(单开):PG206-(15-50)
■特点:
■M6x0.25细牙螺杆调整,特殊铜螺母,可以轴向锁紧螺杆,防止震动松动
■碟形弹簧复位,复位力可调,从零到刚性
■微动板设计缺口,方便准直
■镜筒装卡镜片,可以装好镜片后再固定到调整架上
■聚四氟乙烯垫片,保护镜片
■两个方向安装孔,适合不同光路方向

注意事项:
我们很高兴你能和我们合作。为了节省你的时间,在选择产品时,请查看参数或与我们的销售沟通,避免你购买的产品,因参数与你的使用要求不一致,耽误你的工期进度。我们再次感谢你的支持。





