规格:
服务:
常见问题:
产品描述:
电移台采用小型滚珠丝杠,交叉滚珠导轨,微型步进电机驱动,实现小尺寸、厚度博大负载、高精度、长寿命。
适合于显微镜下样品的精确移动。
特点:体积小,厚度薄,刚性好。
使用场所:显微镜载物,超薄两维平移场所,其他两维移动场所。
产品参数为电性能参数
| 型号 | PT-XY50G | PT-XY100G | PT-XY150G | PT-XY200G | PT-XY250G | PT-XY300G | ||||||
| 行程(mm) | 50×50 | 100×100 | 150×150 | 200×200 | 250×250 | 300×300 | ||||||
| 螺杆导程(mm) | 2 | 2 | 2 | 2 | 2 | 2 | ||||||
| 主体材质 | 铝合金 | |||||||||||
| 表面处理 | 阳极氧化发黑 | |||||||||||
| 导轨 | 交叉滚子导轨 | |||||||||||
| 速度(mm/s) | 15 | 15 | 15 | 15 | 15 | 15 | ||||||
| 分辨率(8细分)(μm) | 1.25 | 0.1 | 1.25 | 0.1 | 1.25 | 0.1 | 1.25 | 0.1 | 1.25 | 0.1 | 1.25 | 0.1 |
| 重复定位精度(μm) | ±1 | ±0.5 | ±1 | ±0.5 | ±1 | ±0.5 | ±1 | ±0.5 | ±1 | ±0.6 | ±1 | ±0.6 |
| 驱动电机 | 28步进电机 | |||||||||||
| 步距角(°) | 1.8 | 1.8 | 1.8 | 1.8 | 1.8 | 1.8 | ||||||
| 中心负载(kg) | 20 | 20 | 20 | 20 | 20 | 20 | ||||||
| 重量(kg) | 2.84 | 3.12 | 4.62 | 4.88 | 4.68 | 4.7 | 4.5 | 4.79 | 6.2 | 6.5 | 7.7 | 8 |
产品尺寸图:






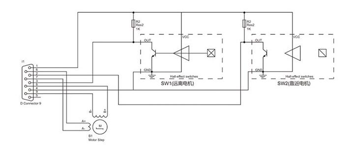
接线图:

注意事项:
我们很高兴你能和我们合作。为了节省你的时间,在选择产品时,请查看参数或与我们的销售沟通,避免你购买的产品,因参数与你的使用要求不一致,耽误你的工期进度。我们再次感谢你的支持。









