由PT-GD140GD电动平移台,PX110-100电动旋转台,PT-GD401电动升降台组合而成。
产 品 型 号 | PT-GD140G-50 | PT-GD140G-100 | PT-GD140G-150 | PT-GD140G-200 | PT-GD140G-300 | PT-GD140G-400 | PT-GD140G-500 | ||||
结 构 参 数 | 行程 | 50 mm | 100 mm | 150 mm | 200 mm | 300 mm | 400 mm | 500 mm | |||
台面尺寸 | 120×120mm | 120×120mm | 120×120mm | 120×120mm | 120×120mm | 120×120mm | 120×120mm | ||||
螺杆规格 | 精密滚珠螺杆(导程4 mm) | 滚珠螺杆(导程5 mm) | |||||||||
导轨 | 精密线性滑块导轨 | ||||||||||
步进电机(步距角) | 42(1.8°) | 57(1.8°) | |||||||||
主体材料 | 铝合金 | ||||||||||
表面处理 | 阳极氧化发黑 | ||||||||||
台面中心负载 | 30 kg | 50 kg | |||||||||
平台自重 | 2.8kg | 3.4kg | 4.5kg | 5.2kg | 6.3kg | 7.2kg | 8.3kg | ||||
精 度 参 数 | 8细分分辨率 | 2.5μm | 3.125μm | ||||||||
速度 | 20mm/sec | 40mm/sec | 50mm/sec | ||||||||
重复定位精度 | 5μm | ||||||||||
定位精度(选配光栅) | 8μm | ||||||||||
直线度 | 5μm | 6μm | 8μm | ||||||||
运动平行度 | 10μm | 15μm | 20μm | ||||||||
俯仰 | 25″ | 50″ | 60″ | ||||||||
偏摆 | 20″ | 25″ | 30″ | ||||||||
回程间隙 | 2μm | ||||||||||
丢步运动 | 3μm | 5μm | |||||||||
附 件 描 述 | 可加装失电制动功能(Z) | ||||||||||
可加装光栅尺(G) | |||||||||||
可换装伺服电机(D) | |||||||||||
可加装防尘罩(F) | |||||||||||
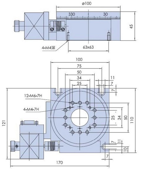
产品型号 | PX110-100 | |
结 构 描 述 | 角度范围 | 360° |
台面尺寸 | φ100mm | |
传动比 | 180∶1 90:1 | |
驱动机构 | 蜗轮和蜗杆机构 | |
导轨形式 | 轴承 | |
步进电机(1.8°) | 42BYG | |
主体材料 | 铝合金 | |
表面处理 | 阳极氧化发黑 | |
中心承载 | 45kg | |
重量 | 1.7kg | |
精 度 描 述 | 分辨率 | 0.01°(无细分) 0.0005°=1.8″(20细分) |
速度 | 25°/sec | |
重复定位精度 | 0.005°=18″ | |
定位精度(选配光栅) | 0.01°=36″ | |
端跳精度 | 15μ | |
空回 | 0.005°=18″ | |
偏心 | 5μ | |
丢步 | 0.005°=18″ | |
平行度 | 80μ | |
产品型号 | PT-GD401 | |
结 构 描 述 | 行程 | 60 mm |
台面尺寸 | 120mm×80mm | |
驱动机构 | 精研丝杠副 | |
导轨形式 | 滑动导轨 | |
步进电机(1.8°) | 42BYG | |
主体材料 | 铝合金 | |
表面处理 | 阳极氧化发黑 | |
中心承载 | 5kg | |
重量 | 1.15kg | |
精 度 描 述 | 调整量 | 5μ(无细分) 0.25μ(20细分) |
速度 | /sec | |
重复定位精度 | 10μ | |
空回 | 4μ | |
丢步 | 3μ | |








PX110-100电动旋转台

PT-GD401电动升降台

我们很高兴你能和我们合作。为了节省你的时间,在选择产品时,请查看参数或与我们的销售沟通,避免你购买的产品,因参数与你的使用要求不一致,耽误你的工期进度。我们再次感谢你的支持。









