组合类型: PP110-30二维平移+PX110-60旋转,PP110-50二维平移+PX110-60旋转,PP110-75二维平移+PX110-60旋转
产品详情:产品不含控制器,控制器单独订购
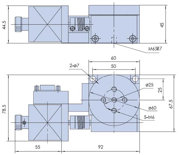
精密型电动旋转台(蜗轮蜗杆):PX110-60
产品特性:(表格里精度描述栏为电性能参数)
※标配步进电机9针接口,公司的运动控制器可对其实现自动化控制
※旋转轴系采用多道工艺精密加工而成,配合精度高,承载大,寿命长
※采用精密研配的蜗轮蜗杆结构,运动舒适,可以任意正向和反向旋转且空回小
※设计精巧的消空回结构,可调整长期使用造成的空回间隙
※特殊的结构设计保证了旋转台面低的端跳和偏心,使旋转运动更加平稳
※旋台的中心通孔与旋转中心有严格的同轴度要求,旋台的中心孔径有严格的配合公差限制,方便客户做精密定位
※台面外围的刻度圈是激光刻划标尺,标尺可相对台面转动,方便初始定位和读数
※步进电机和蜗杆通过高品质弹性联轴节连接,传动同步,消偏性能好,降低了偏心扰动且噪音小。
※可与其他种类台子组成多维电动调整台
※可选配:增加限位功能,增加初始零位 ,换装伺服电机,加装旋转编码器,接受产品的改制和定制。
※可换装三相步进电机或换装伺服电机增大旋台的转速和扭矩
| 产品型号 | PX110-60 | |
| 结构描述 | 角度范围 | 360° |
| 台面尺寸 | φ60mm | |
| 传动比 | 45:1或90∶1 | |
| 驱动机构 | 蜗轮和蜗杆机构 | |
| 导轨形式 | 轴承 | |
| 步进电机(1.8°) | 42BYG | |
| 主体材料 | 铝合金 | |
| 表面处理 | 阳极氧化发黑 | |
| 中心承载 | 30kg | |
| 重量 | 1.2kg | |
| 精度描述 | 分辨率 | 0.02°(无细分) |
| 0.001°=3.6″(20细分) | ||
| 速度 | 50°/sec | |
| 重复定位精度 | 0.005°=18″ | |
| 定位精度(选配光栅) | 0.01°=36″ | |
| 端跳精度 | 15μ | |
| 空回 | 0.005°=18″ | |
| 偏心 | 5μ | |
| 丢步 | 0.005°=18″ | |
| 平行度 | 80μ |

精密型电动平移台(交叉滚柱):PP110-(30-75)
产品特性:(表格里精度描述栏为电性能参数)
■标配步进电机9针接口,公司的运动控制器可对其实现自动化控制
■产品结构小巧轻薄,适合与轻载,低速使用,科学试验使用
■高品质精磨丝杠驱动,小导程,相同细分数可达到高的分辨率
■巧妙的消空回螺母结构设计,可使研磨丝杠副的间隙降到Z小
■导轨采用交叉滚柱导轨,运动舒适,有侧向调整导轨预紧力和消间隙之功能,可多维组合使用
■精磨电移台底板和合理的导轨固定方式降低了电移台的俯仰和偏摆,使运动的直线度和平行度有较大提高
■步进电机和研磨丝杆通过高品质弹性联轴节连接,传动同步,消偏性能好,降低了偏心扰动且噪音小
■配有手轮,方便调试
■两端装有限位开关,方便准确定位和保护产品
■底座有标准孔距的螺纹孔和通孔,方便安装固定
■可选配换装伺服电机,光栅尺,接受产品的改制和量定制
产品型号 | PP110-30 | PP110-50 | PP110-75 | ||
结 构 描 述 | 行程 | 30mm | 50 mm | 75 mm | |
台面尺寸 | 90×90mm | 90×110mm | 90×110mm | ||
螺杆规格 | 研磨丝杆(导程1 mm) | ||||
导轨 | 精密交叉滚柱导轨 | ||||
步进电机(1.8°) | 42BYG | ||||
主体材料 | 铝合金 | ||||
表面处理 | 阳极氧化发黑 | ||||
台面承载 | 15kg | 20 kg | |||
重量 | 1.25kg | 1.4kg | 1.7kg | ||
精 度 描 述 | 分辨率 | 5μ(无细分) 0.25μ(20细分) | |||
速度 | 10mm/sec | ||||
重复定位精度 | 5μ | ||||
定位精度 | 10μ | ||||
直线度 | 8μ | 12μ | |||
运动平行度 | 15μ | ||||
俯仰 | 25″ | ||||
偏摆 | 20″ | ||||
回程间隙 | 2μ | ||||
丢步 | 2μ | ||||
附 件 描 述 | 可加装限位开关和光耦开关 | ||||
可加装光栅尺(G) | |||||
可换装伺服电机(D) | |||||



我们很高兴你能和我们合作。为了节省你的时间,在选择产品时,请查看参数或与我们的销售沟通,避免你购买的产品,因参数与你的使用要求不一致,耽误你的工期进度。我们再次感谢你的支持。









