规格:
服务:
常见问题:
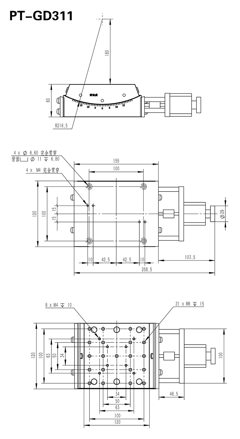
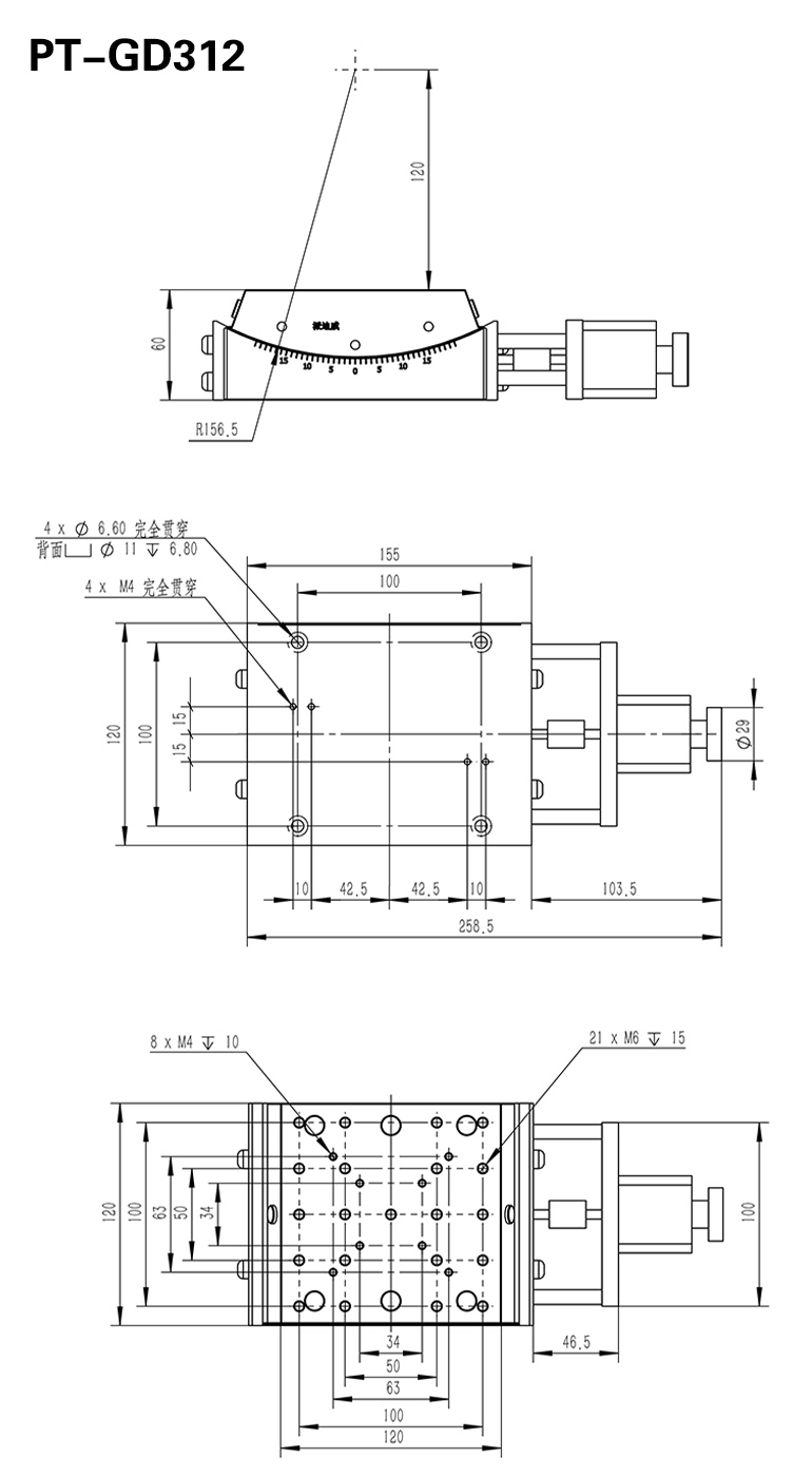
产品型号 | PT-GD311 | PT-GD312 |
调整范围 | ±10° | ±15° |
台面尺寸 | 120mm×130mm | |
轴心高 | 180mm | 120mm |
自高 | 60mm | |
标配电机 | 42步进电机(1.8°) | |
静转矩(N.m) | 0.4 | |
额定工作电流 | 1.7A | |
速度(2细分) | 10°/s | 15°/s |
中心负载 | 10kg | |
刻度 | 1° | 1° |
读数 | 1° | 1° |
自重 | 4kg | 3.5kg |
产品特点:
提供旋转角度调节;
安装面水平放置,方便安装固定;
成对设计,叠加后旋转中心为同一点,可进行正交双轴同心旋转调整;
涡轮副驱动,环形滚珠配合钢导轨,运动舒适,精度可靠。
产品尺寸图:


注意事项:
我们很高兴你能和我们合作。为了节省你的时间,在选择产品时,请查看参数或与我们的销售沟通,避免你购买的产品,因参数与你的使用要求不一致,耽误你的工期进度。我们再次感谢你的支持。









