规格:
服务:
常见问题:
产品参数:
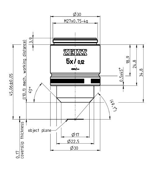
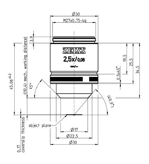
规格 | Objective "A-Plan" 2.5x/0.06 M27 | Objective "A-Plan" 5x/0.12 M27 | Objective "A-Plan" 10x/0.25 M27 | Objective "A-Plan" 20x/0.45 M27 | Objective "A-Plan" 40x/0.65 M27 | Objective A-Plan 63x/0.8 M27 | ObjectiveA-Plan 100x/0.8 M27 |
放大倍数 | 2.5x | 5x | 10x | 20x | 40X | 63X | 100X |
数值孔径 | 0.06 | 0.12 | 0.25 | 0.45 | 0.65 | 0.8 | 0.8 |
工作距离[mm] | 10.4 | 10.1 | 4.5 | 0.46 | 0.45 | 0.3 | 0.97 |
盖玻片厚度[mm] | 0.17 | 0.17 | 0.17 | 0.17 | 0.17 | 0.17 | 0.17 |
螺纹类型 | M27x0.75 | M27x0.75 | M27x0.75 | M27x0.75 | M27x0.75 | M27x0.75 | M27x0.75 |
浸油 | 无浸油 | 无浸油 | 无浸油 | 无浸油 | 无浸油 | 无浸油 | 无浸油 |
视野[mm] | 23 | 23 | 23 | 23 | 23 | 23 | 23 |
齐焦距离[mm] | 45.06 | 45.06 | 45.06 | 45.06 | 45.06 | 45.06 | 45.06 |
机械尺寸:







透射率曲线:






注意事项:









