规格:
产品详情:
服务:
常见问题:
即可以单独使用,也可以XY两轴组合使用。
产品型号 |
PZ110-30 |
PZ110-50 |
PZ110-75 | ||
结
构
描
述 |
行程 |
30mm |
50 mm |
75 mm | |
台面尺寸 |
90×90mm |
90×110mm |
90×110mm | ||
螺杆规格 |
研磨丝杆(导程1 mm) | ||||
导轨 |
精密交叉滚柱导轨 | ||||
真空电机 | |||||
主体材料 |
铝合金 | ||||
表面处理 | |||||
台面承载 |
15kg |
20 kg | |||
重量 |
1.25kg |
1.4kg |
1.7kg | ||
精
度
描
述 |
分辨率 |
5μ(无细分) 0.25μ(20细分) | |||
速度 |
10mm/sec | ||||
重复定位精度 |
5μ | ||||
定位精度(选配光栅) |
10μ | ||||
直线度 |
8μ |
12μ | |||
运动平行度 |
15μ | ||||
俯仰 |
25″ | ||||
偏摆 |
20″ | ||||
回程间隙 |
2μ | ||||
丢步 |
2μ | ||||
附
件
描
述 |
可加装限位开关和光耦开关 | ||||
可加装光栅尺(G) | |||||
可换装伺服电机(D) | |||||
产品不含控制器,控制器单独订购
产品特性:
标准品真空镀10-3pa到10-4pa 温度范围常温
真空系列位移台项目开发的特种电机样机已经实现在军工和民用领域的使用,并形成如下产品优势:
1. 真空、高低温(LOX 10-7pa, -196°C~200°C)极端环境(此参数为电机真空镀)。
2. 工作环境温度-196°C至+200°C, 线圈温度可达300°C,适用真空度 l.OXlOTa,耐辐射剂量106Gy 可提供低压直流和高压交流选择,可选配内置温度传感器。
3. 标准设计28、35、42、57、86框号两相四线制混合式真空步进电机
4. 标准化设计生产100~750W真空伺服电机系列
5. 真空减速机(标准化设计制造45、65、85三种规格)
6. 电机表面材料特殊处理,电机的力矩特性提高15%。
7. 基于建立的零部件材料系列体系,可以实现不同温度范围、不同规格尺寸的产品定制。
8. 可进行耐辐射、耐盐雾、抗冲击、抗霉菌功能拓展,精准匹配客户需求。
9. 真空仓内专用聚醚乙胺材料真空线
10. 高洁净度的使用环境也是可以选用的。特别的材料选择,完善的后端处理工艺使其在高洁净度的环境中使用。
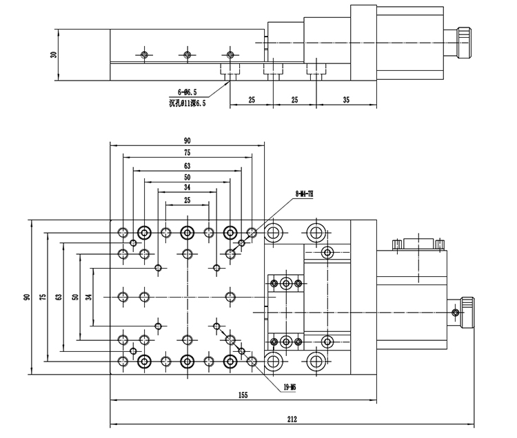
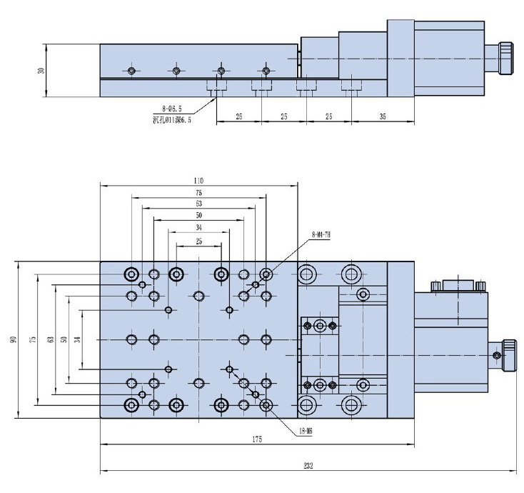
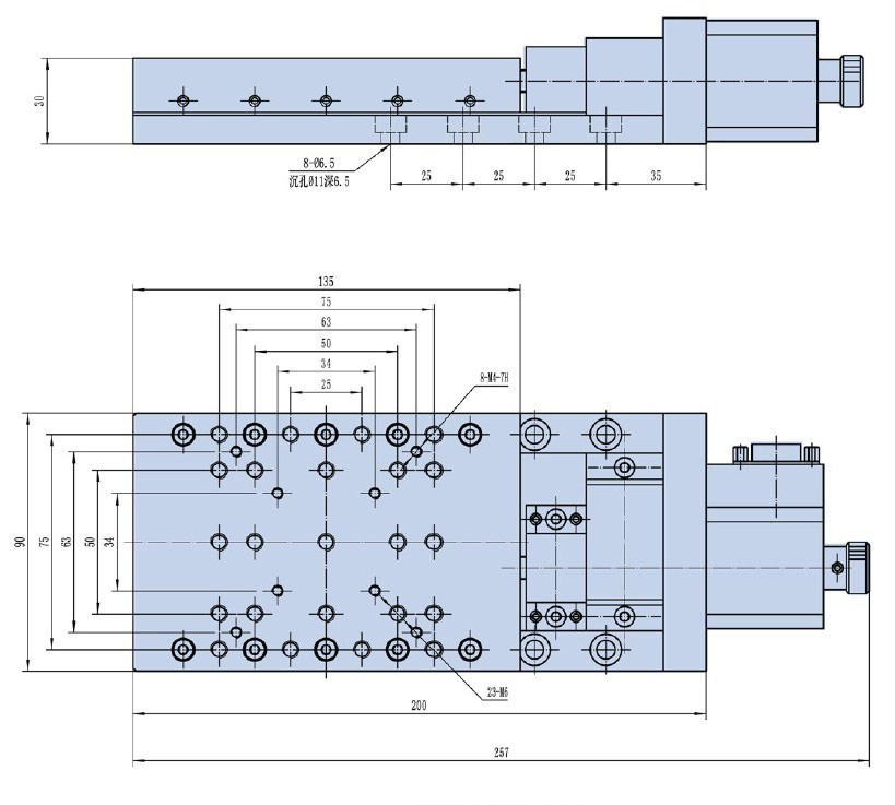
产品尺寸图:
PZ110-30

PZ110-50![]()

PZ110-75

注意事项:
我们很高兴你能和我们合作。为了节省你的时间,在选择产品时,请查看参数或与我们的销售沟通,避免你购买的产品,因参数与你的使用要求不一致,耽误你的工期进度。我们再次感谢你的支持。








