规格:
产品详情:
服务:
常见问题:
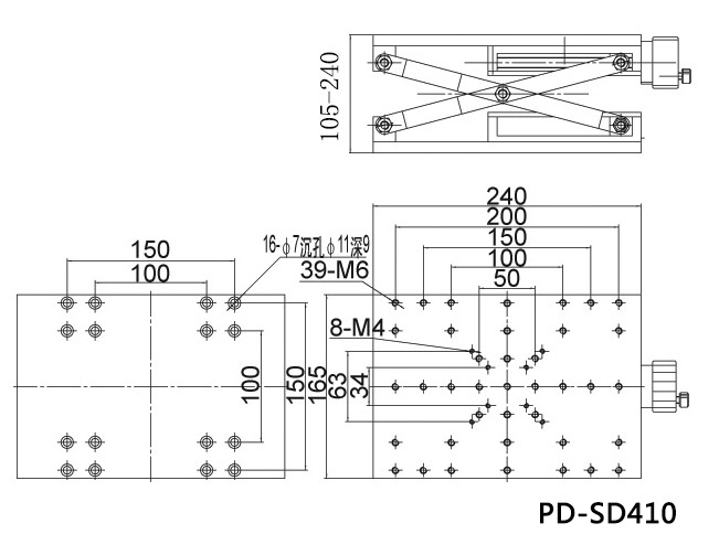
型号 | PT-SD102P(100) | 型号 | PT-SD410 |
驱动方式 | 研磨丝杠 | 台面尺寸 | 240mm×165mm |
驱动位置 | 中央驱动 | 驱动方式 | 精研丝杠驱动 |
行程 | 100mm | 升降行程 | 135 mm |
刻度 | 0.1 | 调整量 | 5μ(参考) |
调整量 | 8μ | 承载 | 25kg |
导轨形式 | 精研燕尾副 | 自重 | 4.2kg |
承载 | 12kg | 材料 | 硬铝 |
直线度 | 30μ | 表面处理 | 阳极氧化发黑 |
台面平行度 | 50μ |
|
|
运动平行度 | 40μ |
|
|
自重 | 0.7kg |
|
|
材料 | 硬铝 |
|
|
表面处理 | 阳极氧化染黑 |
|
|


注意事项:
我们很高兴你能和我们合作。为了节省你的时间,在选择产品时,请查看参数或与我们的销售沟通,避免你购买的产品,因参数与你的使用要求不一致,耽误你的工期进度。我们再次感谢你的支持。










