组合方式: SD206旋转(360°)+SD306角位台(10°) , SD206旋转(360°)+SD308角位台(15°)
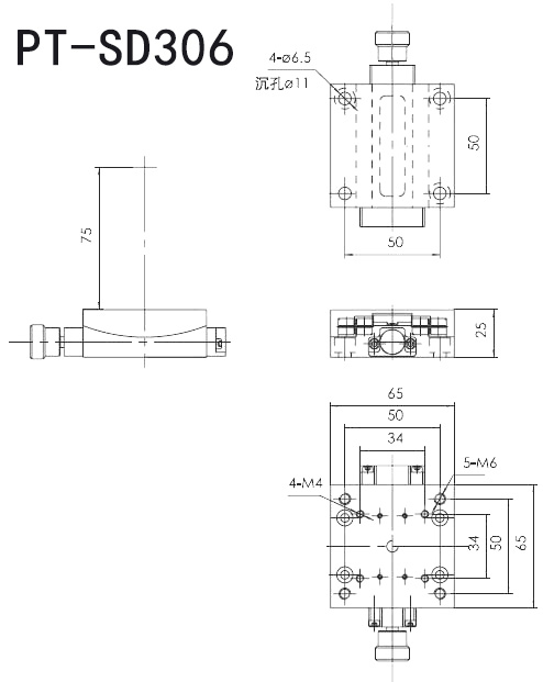
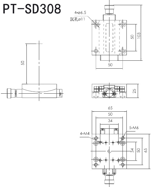
精密型手动角位台:PT-SD306 PT-SD308
■特点:
■产品提供小角度旋转调节
■采用精磨V型导轨+滚珠导轨
■蜗轮副驱动,运动舒适,精密可靠
■台面运行平稳,偏摆和倾斜很小
■成对设计,叠加后旋转中心为同一点,可进行正交双轴同心旋转调整
■手轮锁紧,安全可靠
■台面水平放置,具有标准连接孔,可以和其它系列产品组成多维调整架
产品参数:
型号 | PT-SD306 | PT-SD308 |
台面尺寸 | 65mm×65mm | 65mm×65mm |
角度范围 | ±10° | ±15° |
回转中心高 | 75 mm | 50 mm |
回转中心偏差 | φ0.05 mm | φ0.05 mm |
驱动方式 | 蜗轮蜗杆驱动 | 蜗轮蜗杆驱动 |
导轨形式 | V型导轨+滚珠 | V型导轨+滚珠 |
驱动位置 | 中央驱动 | 中央驱动 |
刻度 | 1° | 1° |
读数 | 6′ | 6′ |
调整量 | (参考)3″/10细分时 | (参考)3″/10细分时 |
偏摆 | 80″ | 80″ |
倾斜 | 60″ | 60″ |
承载 | 10kg | 10kg |
自重 | 0.52kg | 0.52kg |
材料 | 铝合金 | 铝合金 |
表面处理 | 阳极氧化 | 阳极氧化 |


精密型手动旋转台:PT-SD206
■特点:
■台面可以360°旋转粗调
■可以进行±10°的微细调整,测微头驱动,弹簧复位,分辨率高,无空回
■精密轴系设计,轴系间隙可调,稳定
■圆周360°激光刻线,方便读数
■上下部均有标准孔距的连接孔,方便与其它位移台连接,组成多维移动台
型号 | PT-SD206 |
台面直径 | φ82mm |
驱动方式 | 测微头驱动 |
调整范围 | 粗调360° 细调±10° |
z小刻划 | 1° |
z小读数 | 2′ |
z小调整量 | 15″(参考) |
承载 | 5kg |
台面端跳 | 60μ |
偏心 | 30μ |
台面平行度 | 60μ |
自重 | 0.5kg |
材料 | 硬铝 |
表面处理 | 阳极氧化染黑 |

我们很高兴你能和我们合作。为了节省你的时间,在选择产品时,请查看参数或与我们的销售沟通,避免你购买的产品,因参数与你的使用要求不一致,耽误你的工期进度。我们再次感谢你的支持。









