规格:
服务:
常见问题:
组合类型:PT-80-50+PT-SD408 , PT-80-100+PT-SD408 , PT-80-150+PT-SD408
精密型手动平移台:PT80-50/100/150
产品参数
| 主体 | 导向轴 | 手轮 | 进给丝杆 | ||||
| 材质 | 表面处理 | 材质 | 硬度 | 表面处理 | 材质 | 表面处理 | 材质 |
| AI6063 | 黑色阳极氧化 | GCr15(轴承钢) | HRC56 | 镀硬铬 | AI6063 | 本色阳极氧化 | 0Cr18Ni9(304)不锈钢 |
产品型号详情介绍:
| 型号 | 滑台面(mm) | z大行程(mm) | Z(mm) | A(mm) | B(mm) | 耐负载水平(N) | 自重(Kg) |
| PT80-50 | 80*80 | 50 | 25 | 100 | 170 | 196 | 2.2 |
| PT80-100 | 100 | 50 | 150 | 220 | 196 | 2.4 | |
| PT80-150 | 150 | 75 | 200 | 270 | 196 | 2.8 |

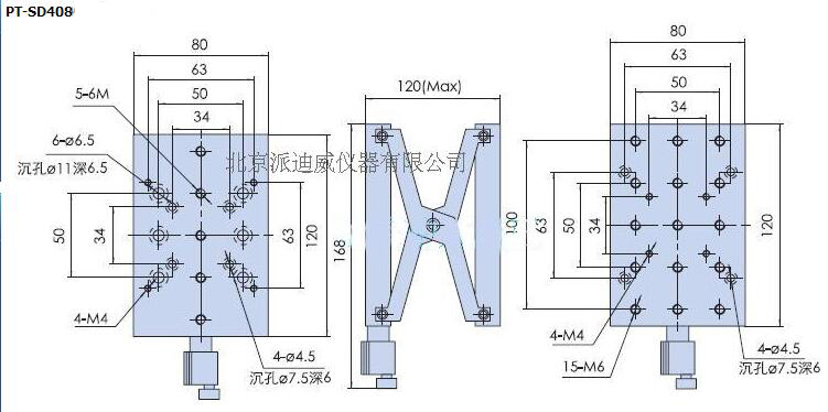
精密型手动升降台:PT-SD408
■特点:
■用于大行程,不定量,载荷大的升降调整
■采用剪形升降支撑,精研丝杠驱动。
■上下两面多孔位设计,适用性强,均可作安装面
■配有锁紧手轮,安全可靠
■底座和台面均有标准孔距的连接孔,方便与其它系列产品组合使用
产品参数:
型号 | PT-SD408 |
台面尺寸 | 120 mm×80mm |
驱动方式 | 精研丝杠驱动 |
升降行程 | 60 mm |
调整量 | 5μ(参考) |
承载 | 20kg |
自重 | 1.15kg |
材料 | 硬铝 |
表面处理 | 阳极氧化黑 |

注意事项:
我们很高兴你能和我们合作。为了节省你的时间,在选择产品时,请查看参数或与我们的销售沟通,避免你购买的产品,因参数与你的使用要求不一致,耽误你的工期进度。我们再次感谢你的支持。









