组合类型:
PT-ST100+PT-SD408+PT-SD206,PT-ST200+PT-SD408+PT-SD206,PT-ST300+PT-SD408+PT-SD206,
PT-ST400+PT-SD408+PT-SD206,PT-ST500+PT-SD408+PT-SD206
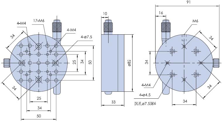
精密型手动旋转台:PT-SD206
■特点:
■台面可以360°旋转粗调
■可以进行±10°的微细调整,测微头驱动,弹簧复位,分辨率高,无空回
■精密轴系设计,轴系间隙可调,稳定
■圆周360°激光刻线,方便读数
■上下部均有标准孔距的连接孔,方便与其它位移台连接,组成多维移动台
型号 | PT-SD206 |
台面直径 | φ82mm |
驱动方式 | 测微头驱动 |
调整范围 | 粗调360° 细调±10° |
刻划 | 1° |
读数 | 2′ |
调整量 | 15″(参考) |
承载 | 5kg |
台面端跳 | 60μ |
偏心 | 30μ |
台面平行度 | 60μ |
自重 | 0.5kg |
材料 | 硬铝 |
表面处理 | 阳极氧化染黑 |

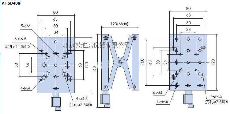
精密型手动升降台:PT-SD408
■特点:
■用于大行程,不定量,载荷大的升降调整
■采用剪形升降支撑,精研丝杠驱动。
■上下两面多孔位设计,适用性强,均可作安装面
■配有锁紧手轮,安全可靠
■底座和台面均有标准孔距的连接孔,方便与其它系列产品组合使用
产品参数:
型号 | PT-SD408 |
台面尺寸 | 120 mm×80mm |
驱动方式 | 精研丝杠驱动 |
升降行程 | 60 mm |
调整量 | 5μ(参考) |
承载 | 20kg |
自重 | 1.15kg |
材料 | 硬铝 |
表面处理 | 阳极氧化黑 |

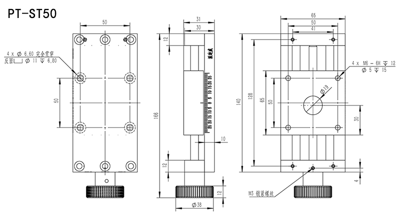
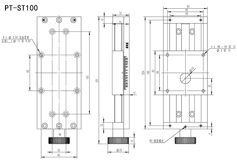
手动平移台产品参数:
导程:3MM
丝杠直径:14MM
光杠直径:12MM
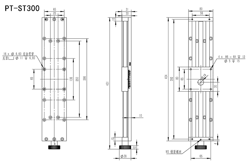
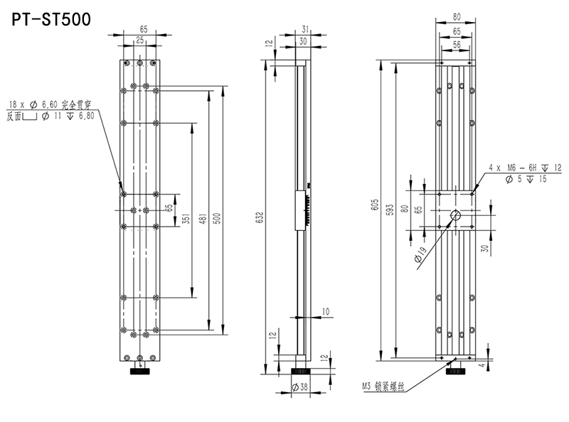
型号 | PT-ST50 | PT-ST100 | PT-ST200 | PT-ST300 | PT-ST400 | PT-ST500 |
工作台面 | 65x65mm | 80x80mm | 80x80mm | 80x80mm | 80x80mm | 80x80mm |
行程 | 50mm | 100mm | 200mm | 300 | 400 | 500 |
丝杠螺距 | 1.25mm | 3mm | 3mm | 3mm | 3mm | 3mm |
承重 | 20KG | 20KG | 20KG | 20kg | 20kg | 20kg |
自重 | 1kg | 1.8kg | 2.8kg | 3kg | 4kg | 5kg |
材料表面处理 | 6061铝合金-黑色或阳极氧化处理 | |||||






我们很高兴你能和我们合作。为了节省你的时间,在选择产品时,请查看参数或与我们的销售沟通,避免你购买的产品,因参数与你的使用要求不一致,耽误你的工期进度。我们再次感谢你的支持。








