规格:
服务:
常见问题:
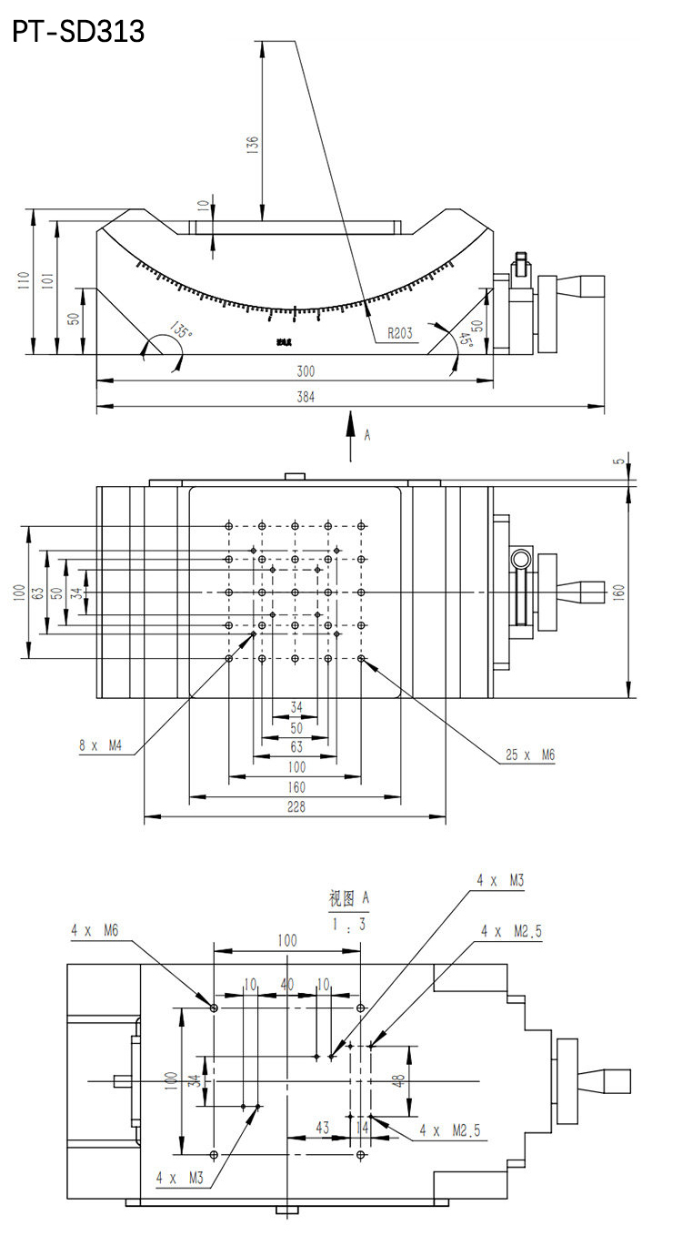
产品参数:
| 型号 | PT-SD313(带数显) |
| 台面尺寸((mm) | 160x160 |
| 调整范围 | ±30° |
| 分辨率(8细分) | 0.0005625 |
| 重复定位精度(mm) | 0.004 |
| 传动比 | 400:1 |
| 轴心高(mm) | 1136 |
| 中心负载(kg) | 40 |
| 自重(kg) | 14 |
| 产品型号 | PX110-400(带数显) | |
| 结构描述 | 角度范围 | 360° |
| 台面尺寸 | φ400mm | |
| 传动比 | 360∶1 | |
| 驱动机构 | 蜗轮和蜗杆机构 | |
| 导轨形式 | 轴承 | |
| 主体材料 | 铝合金 | |
| 表面处理 | 阳极氧化发黑 | |
| 中心承载 | 75kg | |
| 重量 | 21kg | |
| 精度描述 | 分辨率 | 0.0025°=9″(无细分) |
| 0.000125°=0.45″(20细分) | ||
| 重复定位精度 | 0.002°=3.6″ | |
| 定位精度(选配光栅) | 0.005°=18″ | |
| 端跳精度 | 20μ | |
| 偏心 | 30μ | |
| 平行度 | 120μ | |
产品尺寸:


注意事项:
我们很高兴你能和我们合作。为了节省你的时间,在选择产品时,请查看参数或与我们的销售沟通,避免你购买的产品,因参数与你的使用要求不一致,耽误你的工期进度。我们再次感谢你的支持。









