规格:
服务:
常见问题:
产品特性:(表格里精度描述栏为电性能参数)
※采用滚珠螺杆传动,线性滑块导轨,承载高,刚性好,适合工业加工,实验室或需要高负荷长期连续运行的场所
※高精密滚珠螺杆驱动,重复定位精度和决队定位精度好,轴向间隙小,寿命长,平移台本身具有防尘罩
※平移台行程可根据客户要求定做
※可选配换装伺服电机,加光栅尺做闭环控制
产品参数:
| 产品型号 | PT-GD150-100(防尘罩) | |
| 结构参数 | 行程 | 100mm |
| 台面尺寸 | 150×150mm | |
| 螺杆规袼 | 高精密滚珠螺杆(导程5mm) | |
| 导轨 | 高精密线性滑块导轨 | |
| 步进电机(1.8°) | STP-57D3016 | |
| 主体材料 | 铝合金/不锈钢 | |
| 表面处理 | 阳极氧化发黑 | |
| 台面负载 | 20kg | |
| 重量 | 3.4kg | |
| 精度参数 | 分辦率 | 20μ(无细分) 1μ(20细分) |
| 速度 | 40mm/sec | |
| 重复定位精度 | 1μ | |
| 定位精度(选配光柵) | 3μ | |
| 直线度 | 3μ | |
| 运动平行度 | 10μ | |
| 俯仰 | 25” | |
| 偏摆 | 20” | |
| 回程间隙 | 2μ | |
| 丢步运动 | 1μ | |
| 附件描述 | 可加装失电制动功能(Z) | |
| 可加装光栅尺(G) | ||
| 可换装伺服电机(D) | ||
| 可加装防尘罩(F) | ||
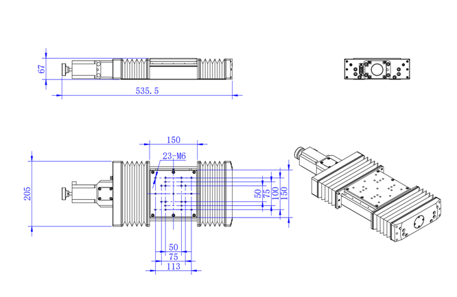
产品尺寸:

注意事项:
我们很高兴你能和我们合作。为了节省你的时间,在选择产品时,请查看参数或与我们的销售沟通,避免你购买的产品,因参数与你的使用要求不一致,耽误你的工期进度。我们再次感谢你的支持。









